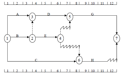
某工程双代号时标网络计划如下图所示,其中工作E 的自由时差为( )。 A 0 B 1 周 C 2 周 D 3 周

作者: rantiku 人气: - 评论: 0
问题 某工程双代号时标网络计划如下图所示,其中工作E 的自由时差为( )。
选项 A 0 B 1 周 C 2 周 D 3 周
答案 B
解析

猜你喜欢

发表评论
更多 网友评论0 条评论)
暂无评论

访问排行

Copyright © 2012-2014 恰考网 Inc. 保留所有权利。 Powered by tikuer.com

页面耗时0.0420秒, 内存占用1.03 MB, Cache:redis,访问数据库20次