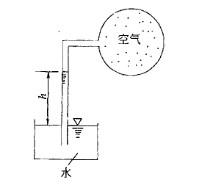
图示空气管道横断面上的压力计液面高差h=0.8m,该断面的空气相对压强为:A. 9. 0kPa B. 8. 4kPa C. 7. 84kPa D. -...

作者: rantiku 人气: - 评论: 0
问题 图示空气管道横断面上的压力计液面高差h=0.8m,该断面的空气相对压强为: A. 9. 0kPa B. 8. 4kPa C. 7. 84kPa D. -7. 84kPa
选项
答案 D
解析 提示:空气柱重量可不计,内部为真空即负压。

猜你喜欢

发表评论
更多 网友评论0 条评论)
暂无评论

访问排行

Copyright © 2012-2014 恰考网 Inc. 保留所有权利。 Powered by tikuer.com

页面耗时0.0414秒, 内存占用1.03 MB, Cache:redis,访问数据库19次