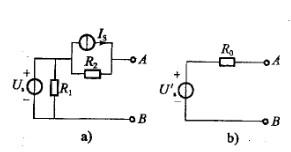
如图a)所示电路按戴维南定理等效成图b)所示电压源时,计算R0的正确算式为:A. R0=R1//R2B.R0=R1+R2C.R0=R1...

作者: rantiku 人气: - 评论: 0
问题 如图a)所示电路按戴维南定理等效成图b)所示电压源时,计算R0的正确算式为: A. R0=R1//R2 B.R0=R1+R2 C.R0=R1 D.R0=R2
选项
答案 D
解析 提示:图b)中的R0等效于图a)的端口AB间除源电阻(除源指的是将电压源短路,电流源断路),即R0=R2。

猜你喜欢

发表评论
更多 网友评论0 条评论)
暂无评论

访问排行

Copyright © 2012-2014 恰考网 Inc. 保留所有权利。 Powered by tikuer.com

页面耗时0.0274秒, 内存占用1.03 MB, Cache:redis,访问数据库19次