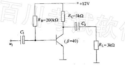
图示为共发射极单管电压放大电路,估算静态点IB、IC、VCE分别为:A. 57μA,2. 8mA,3. 5V B. 57μA,2. 8mA,8V ...

作者: rantiku 人气: - 评论: 0
问题 图示为共发射极单管电压放大电路,估算静态点IB、IC、VCE分别为: A. 57μA,2. 8mA,3. 5V B. 57μA,2. 8mA,8V C. 57μA,4mA,0V D. 30μA,2. 8mA,3.5V
选项
答案 A
解析 提示:根据等效的直流通道计算,在直流等效电路中电容断路。

猜你喜欢

发表评论
更多 网友评论0 条评论)
暂无评论

访问排行

Copyright © 2012-2014 恰考网 Inc. 保留所有权利。 Powered by tikuer.com

页面耗时0.0436秒, 内存占用1.03 MB, Cache:redis,访问数据库20次