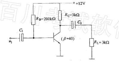
如题图所示,放大器的输入电阻Ri、输出电阻R0和电压放大倍数Au分别为:A. 200kΩ,3kΩ,47.5倍 B. 1.25kΩ,3kΩ,47.5...

作者: rantiku 人气: - 评论: 0
问题 如题图所示,放大器的输入电阻Ri、输出电阻R0和电压放大倍数Au分别为: A. 200kΩ,3kΩ,47.5倍 B. 1.25kΩ,3kΩ,47.5倍 C. 1.25kΩ,3kΩ,-47.5倍 D. 1. 25kΩ,1.5kΩ,-47.5倍
选项
答案 C
解析 提示:根据微变等效电路计算,在微变等效电路中电容短路。

猜你喜欢

发表评论
更多 网友评论0 条评论)
暂无评论

访问排行

Copyright © 2012-2014 恰考网 Inc. 保留所有权利。 Powered by tikuer.com

页面耗时0.0370秒, 内存占用1.03 MB, Cache:redis,访问数据库18次