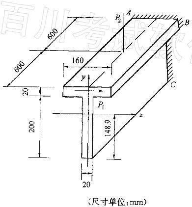
悬臂梁受力如图所示。已知P1=P9=P4= 4P, Iz=3. 49 X107mm4,Iy=6. 96 X106 mm4,材料的许用拉应力[σ]+=30M...

作者: rantiku 人气: - 评论: 0
问题 悬臂梁受力如图所示。已知P1=P9=P4= 4P, Iz=3. 49 X107mm4,Iy=6. 96 X106 mm4,材料的许用拉应力[σ]+=30MPa,材料的许用压应 力[σ]-=90MPa,则许可荷载[P]为: A. 1605. 8N B. 864. 4N C. 680. 2N D. 7522. 8N
选项
答案 A
解析 提示:这是双向弯曲问题,根据两个方向弯矩

猜你喜欢

发表评论
更多 网友评论0 条评论)
暂无评论

访问排行

Copyright © 2012-2014 恰考网 Inc. 保留所有权利。 Powered by tikuer.com

页面耗时0.0349秒, 内存占用1.03 MB, Cache:redis,访问数据库20次