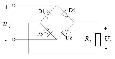
图示电路中,若输入电压ui =10sin(ωt + 30°)V ,则输出电压的平均值UL 为:(A)3.18V (B)5V(C)6.36V (...

作者: rantiku 人气: - 评论: 0
问题 图示电路中,若输入电压ui =10sin(ωt + 30°)V ,则输出电压的平均值UL 为: (A)3.18V (B)5V (C)6.36V (D)10V
选项
答案 C
解析 解:选C。 点评:

猜你喜欢

发表评论
更多 网友评论0 条评论)
暂无评论

访问排行

Copyright © 2012-2014 恰考网 Inc. 保留所有权利。 Powered by tikuer.com

页面耗时0.0334秒, 内存占用1.03 MB, Cache:redis,访问数据库19次