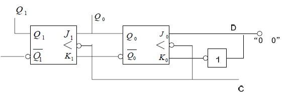
如图所示电路,Q1 ,Q0 的原始状态为“11”,当送入二个脉冲后的新状态为:(A)“0 0”(B)“0 1”(C)“1 1”(D)“...

作者: rantiku 人气: - 评论: 0
问题 如图所示电路,Q1 ,Q0 的原始状态为“11”,当送入二个脉冲后的新状态为: (A)“0 0” (B)“0 1” (C)“1 1” (D)“1 0”
选项
答案 A
解析 解:选A。 当时钟脉冲到来之前,左右触发器状态保持一致,原始状态为“1 1”,当送入第一个脉冲后J0=0,K0=1,右侧主触发器处于复0 状态,Q0=0,J1=Q0=1,K1=非Q0=0,左侧从触发器状态不变Q1=1,为置1 状态,即Q1,Q0 的状态为“1 0”; 当送入第二个脉冲后,J0=0,K0=1,右侧主触发器仍处于复0 状态,Q0=0,而J1=Q0=0,K1=非Q0=1,即左侧从触发器状态翻转为复0 状态,即Q1,Q0 的状态为“0 0”。则送入两耳脉冲后Q1,Q0 的新状态为“0 0”。

猜你喜欢

发表评论
更多 网友评论0 条评论)
暂无评论

访问排行

Copyright © 2012-2014 恰考网 Inc. 保留所有权利。 Powered by tikuer.com

页面耗时0.0265秒, 内存占用1.03 MB, Cache:redis,访问数据库17次