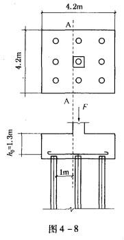
如图4-8所示,竖向荷载设计值F=24000kN,承台混凝 土为C40(ft = 1.71MPa),按《建筑桩基技术规范》验算柱边A—A至桩边连线形成的斜...

作者: rantiku 人气: - 评论: 0
问题 如图4-8所示,竖向荷载设计值F=24000kN,承台混凝 土为C40(ft = 1.71MPa),按《建筑桩基技术规范》验算柱边A—A至桩边连线形成的斜截面的抗剪承载力与剪切力之比(抗力/V)最接近下列哪个选项?( ) A. 1.05 B. 1.2 C. 1.3 D. 1.4
选项
答案 A
解析 根据《建筑桩基技术规范》(JGj 94—2008)第5. 9. 10条第1款,

猜你喜欢

发表评论
更多 网友评论0 条评论)
暂无评论

访问排行

Copyright © 2012-2014 恰考网 Inc. 保留所有权利。 Powered by tikuer.com

页面耗时0.0400秒, 内存占用1.03 MB, Cache:redis,访问数据库19次