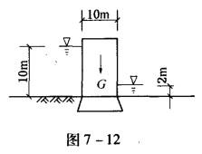
有一个水闸宽度10m,闸室基础至上部结构的每延米不考虑浮力的总自重为2000kN/m,上游水位H= 10m,下游水位h=2m,如图7-12所本。地基土为均...

作者: rantiku 人气: - 评论: 0
问题 有一个水闸宽度10m,闸室基础至上部结构的每延米不考虑浮力的总自重为2000kN/m,上游水位H= 10m,下游水位h=2m,如图7-12所本。地基土为均匀砂质粉土,闸底与地基土摩擦系数为0.4,不计上下游土的水平土压力。验算其抗滑稳定安全系数最接近( )。 A. 1.67 B. 1.57 C. 1.27 D. 1.17
选项
答案 D
解析

猜你喜欢

发表评论
更多 网友评论0 条评论)
暂无评论

访问排行

Copyright © 2012-2014 恰考网 Inc. 保留所有权利。 Powered by tikuer.com

页面耗时0.0447秒, 内存占用1.03 MB, Cache:redis,访问数据库20次