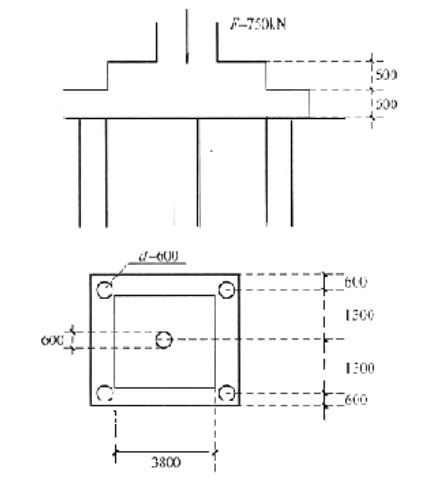
某柱下桩基(γ0=1)如图所示,桩径d=0.6m,承台有效高度h0=1.0m,冲跨比λ=0.7,承台混凝土抗拉强度设计值ft=1.71MPa,作用于承台顶...

作者: rantiku 人气: - 评论: 0
问题 某柱下桩基(γ0=1)如图所示,桩径d=0.6m,承台有效高度h0=1.0m,冲跨比λ=0.7,承台混凝土抗拉强度设计值ft=1.71MPa,作用于承台顶面的竖向力设计值F=7500kN,按《建筑桩基技术规范》(JGJ 94-94)验算柱冲切承载力时,下述结论()最正确。 A.受冲切承载力比冲切力小800kN B.受冲切承载力与冲切力相等 C.受冲切承载力比冲切力大810kN D.受冲切承载力比冲切力大1114kN
选项
答案 D
解析

猜你喜欢

发表评论
更多 网友评论0 条评论)
暂无评论

访问排行

Copyright © 2012-2014 恰考网 Inc. 保留所有权利。 Powered by tikuer.com

页面耗时0.0417秒, 内存占用1.03 MB, Cache:redis,访问数据库18次