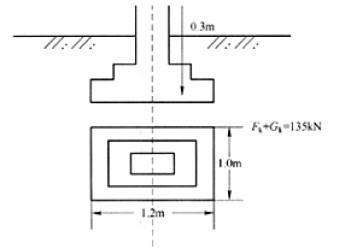
柱基底面尺寸为1.2mX1.0m,作用于基础底面的偏心荷载Fk+Gk= 135kN。当偏心距e为0.3m时, 基础底面边缘的最大压力Pkmax,为()。 ...

作者: rantiku 人气: - 评论: 0
问题 柱基底面尺寸为1.2mX1.0m,作用于基础底面的偏心荷载Fk+Gk= 135kN。当偏心距e为0.3m时, 基础底面边缘的最大压力Pkmax,为()。 A. 250kPa B. 275kPa C. 300kPa D. 325kPa
选项
答案 C
解析

猜你喜欢

发表评论
更多 网友评论0 条评论)
暂无评论

访问排行

Copyright © 2012-2014 恰考网 Inc. 保留所有权利。 Powered by tikuer.com

页面耗时0.0415秒, 内存占用1.03 MB, Cache:redis,访问数据库20次