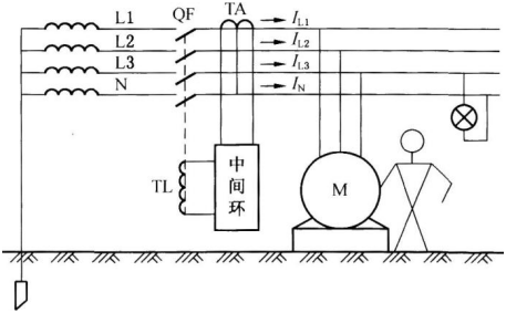
剩余电流动作保护又称为漏电保护,是利用剩余电流动作保护装置来防止电气事故的一种安全技术措施。其装置和工作原理图如下图所示,下列关于剩余电流动作保护的工作原...

作者: tihaiku 人气: - 评论: 0
问题 剩余电流动作保护又称为漏电保护,是利用剩余电流动作保护装置来防止电气事故的一种安全技术措施。其装置和工作原理图如下图所示,下列关于剩余电流动作保护的工作原理,说法正确是( )。
选项 A.M电动机漏电,人触碰后形成短路,促使中间环节T1动作,发出信号导致熔断器熔断以切断供电电源 B.TA表示零序电流互感器,由TA获取漏电信号,经中间环节放大电信号,使QF跳闸 C.M电动机外壳发生漏电,能够通过电气设备上的保护接触线把剩余电流引入大地 D.剩余电流直接促使电气线路上的保护元件迅速动作断开供电电源
答案 B
解析 剩余电流动作保护装置的工作原理:剩余电流动作保护装置由检测元件、中间环节、执行机构三个基本环节及辅助电源和试验装置构成。检测元件的作用是将漏电电流信号转换为电压或功率信号输出给中间环节。中间环节通常设有放大器、比较器等,对来自零序电流互感器的漏电信号进行处理。

相关内容:剩余,电流,动作,保护,利用,电气,事故,技术,措施,装置,工作,原理,图如,下图

猜你喜欢

发表评论
更多 网友评论0 条评论)
暂无评论

Copyright © 2012-2014 恰考网 Inc. 保留所有权利。 Powered by tikuer.com

页面耗时0.0433秒, 内存占用1.05 MB, Cache:redis,访问数据库18次