下列系统适用于有爆炸危险、火灾危险性大及其他安全要求高的场所的是( )。

作者: tihaiku 人气: - 评论: 0
问题 下列系统适用于有爆炸危险、火灾危险性大及其他安全要求高的场所的是( )。
选项
答案 A
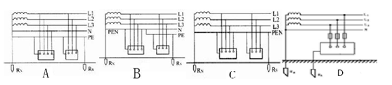
解析 TN—S 系统的安全性能最好,正常工作条件下,外露导电部分和保护导体均呈零电位,被称为是最“干净”的系统。 有爆炸危险、火灾危险性大及其他安全要求高的场所应采用TN—S 系统; 厂内低压配电的场所及民用楼房应采用TN—C—S 系统; 触电危险性小、用电设备简单的场合可采用TN—C 系统; 保护接零用于用户装有配电变压器的,且其低压中性点直接接地的220/380V 三相四线配电网。

相关内容:系统,适用于,火灾,危险性,及其他,要求,场所

猜你喜欢

发表评论
更多 网友评论0 条评论)
暂无评论

Copyright © 2012-2014 恰考网 Inc. 保留所有权利。 Powered by tikuer.com

页面耗时0.0576秒, 内存占用1.04 MB, Cache:redis,访问数据库15次