作者: rantiku 人气: - 评论: 0
问题
选项
答案 B
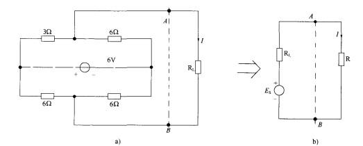
解析 解 利用等效电压源定理判断。在求等效电压源电动势时,将A、B两点开路后,电压源的两上方电阻和两下方电阻均为串联连接方式。 答案:B
  • 上一篇:
  • 下一篇:

相关内容:

猜你喜欢

发表评论
更多 网友评论0 条评论)
暂无评论

Copyright © 2012-2014 恰考网 Inc. 保留所有权利。 Powered by tikuer.com

页面耗时0.0399秒, 内存占用1.01 MB, Cache:redis,访问数据库20次