作者: rantiku 人气: - 评论: 0
问题
选项
答案 D
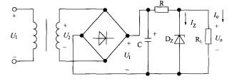
解析 解 该电路为直流稳压电源电路。对于输出的直流信号,电容在电路中可视为断路。 桥式整流电路中的二极管通过的电流平均值是电阻R中通过电流的一半。 答案:D

相关内容:

猜你喜欢

发表评论
更多 网友评论0 条评论)
暂无评论

Copyright © 2012-2014 恰考网 Inc. 保留所有权利。 Powered by tikuer.com

页面耗时0.0494秒, 内存占用1.01 MB, Cache:redis,访问数据库19次