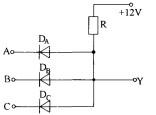
图为三个二极管和电阻R组成的一个基本逻辑门电路,输入二极管的高电平和低电 平分别是3V和0V,电路的逻辑关系式是:A.Y=ABCB. Y=A+B+...

作者: rantiku 人气: - 评论: 0
问题 图为三个二极管和电阻R组成的一个基本逻辑门电路,输入二极管的高电平和低电 平分别是3V和0V,电路的逻辑关系式是:
选项 A.Y=ABC B. Y=A+B+C C. Y=AB+C D. Y=(A+B)C
答案 A
解析 解 首先确定在不同输入电压下三个二极管的工作状态,依此确定输出端的电位UY; 然后判断各电位之间的逻辑关系,当点电位高于0. 4V时视为逻辑状态“1”,电位低于0. 4V时 视为逻辑“0”状态。 答案:A
  • 上一篇:
  • 下一篇:

猜你喜欢

发表评论
更多 网友评论0 条评论)
暂无评论

Copyright © 2012-2014 恰考网 Inc. 保留所有权利。 Powered by tikuer.com

页面耗时0.0275秒, 内存占用1.02 MB, Cache:redis,访问数据库14次