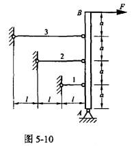
铅直的刚性杆AB上铰接着三根材料相同,横截面面积相同,相互平行的水平等直杆,其长度分别为l、2l和3l,如图5-10所示。今在B端作用一水平的集中力F,若...

作者: rantiku 人气: - 评论: 0
问题 铅直的刚性杆AB上铰接着三根材料相同,横截面面积相同,相互平行的水平等直杆,其长度分别为l、2l和3l,如图5-10所示。今在B端作用一水平的集中力F,若以FN1、 FN2、FN3和ε1、ε2、ε3分别表示杆1、2、3的轴力和应变值,给定以下四种情况,正确的为( )。
选项
答案 A
解析 提示:根据AB杆是刚性杆的条件得到三连杆的变形关系。

猜你喜欢

发表评论
更多 网友评论0 条评论)
暂无评论

Copyright © 2012-2014 恰考网 Inc. 保留所有权利。 Powered by tikuer.com

页面耗时0.0381秒, 内存占用1.03 MB, Cache:redis,访问数据库19次