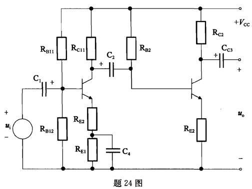
如图所示电路中,为使输出电压稳定,应该引入下列()反馈方式。A.电压并联负反馈B.电流并联负反馈C.电压串联负反馈D.电流串联负反馈

作者: rantiku 人气: - 评论: 0
问题 如图所示电路中,为使输出电压稳定,应该引入下列()反馈方式。
选项 A.电压并联负反馈 B.电流并联负反馈 C.电压串联负反馈 D.电流串联负反馈
答案 C
解析 解为稳定输出电压,采用电压负反馈,需从输出端引出。再根据瞬时极性法,此时输出与输入端瞬时极性相同,为形成负反馈,必须接到与输入端不同点的地方,构成串联负反馈,所以选择电压串联负反馈。

猜你喜欢

发表评论
更多 网友评论0 条评论)
暂无评论

Copyright © 2012-2014 恰考网 Inc. 保留所有权利。 Powered by tikuer.com

页面耗时0.0342秒, 内存占用1.02 MB, Cache:redis,访问数据库19次