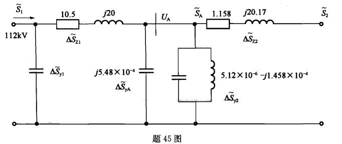
一辐射性网络电源侧电压为112kV,线路和变压器归算到高压侧的数据标在图中,在图中所标负荷数据下,变压所高压母线电压为()。

作者: rantiku 人气: - 评论: 0
问题 一辐射性网络电源侧电压为112kV,线路和变压器归算到高压侧的数据标在图中,在图中所标负荷数据下,变压所高压母线电压为()。
选项
答案 D
解析 解此题目考查的是简单电力网络的潮流分析。 (1)从末端向首端推算。 励磁支路损耗:

猜你喜欢

发表评论
更多 网友评论0 条评论)
暂无评论

Copyright © 2012-2014 恰考网 Inc. 保留所有权利。 Powered by tikuer.com

页面耗时0.1192秒, 内存占用1.03 MB, Cache:redis,访问数据库20次