作者: rantiku 人气: - 评论: 0
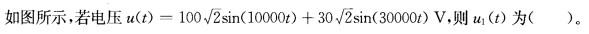
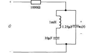
问题
选项
答案 A
解析

相关内容:

猜你喜欢

发表评论
更多 网友评论0 条评论)
暂无评论

Copyright © 2012-2014 恰考网 Inc. 保留所有权利。 Powered by tikuer.com

页面耗时0.0495秒, 内存占用1.01 MB, Cache:redis,访问数据库18次