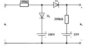
如图所示,设二极管为理想元件,当ui=150V时,uo为()。A. 25VB.75VC. 100VD. 150V

作者: rantiku 人气: - 评论: 0
问题 如图所示,设二极管为理想元件,当ui=150V时,uo为()。
选项 A. 25V B.75V C. 100V D. 150V
答案 C
解析

猜你喜欢

发表评论
更多 网友评论0 条评论)
暂无评论

Copyright © 2012-2014 恰考网 Inc. 保留所有权利。 Powered by tikuer.com

页面耗时0.1189秒, 内存占用1.01 MB, Cache:redis,访问数据库20次