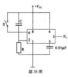
如图所示是用555定时器组成的开机延时电路,若给定C=25μF,R=91KΩ,V∝= 12V,常闭开关S断开以后经过延时间为( )时,V0才能跳变为高电平...

作者: rantiku 人气: - 评论: 0
问题 如图所示是用555定时器组成的开机延时电路,若给定C=25μF,R=91KΩ,V∝= 12V,常闭开关S断开以后经过延时间为( )时,V0才能跳变为高电平。
选项 A. 1. 59s B. 2. 5s C. 1. 82s D. 2. 27s
答案 B
解析 解 V0从零电平上升到2/3V∝的时间,即为输出电压U0的脉宽tW,即:tW =1. 1RC=1. 1 X 91 X 103 X 25 X10-6 = 2. 5s 答案:B

猜你喜欢

发表评论
更多 网友评论0 条评论)
暂无评论

Copyright © 2012-2014 恰考网 Inc. 保留所有权利。 Powered by tikuer.com

页面耗时0.0319秒, 内存占用1.03 MB, Cache:redis,访问数据库20次