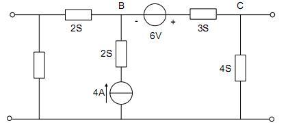
列写节点方程时,图示部分电路中B点的自导为: (A) 7S(B) -14S(C) 5S(D) 4S

作者: rantiku 人气: - 评论: 0
问题 列写节点方程时,图示部分电路中B点的自导为: (A) 7S (B) -14S (C) 5S (D) 4S
选项
答案 C
解析 解:选C。选电流源4A串联的2S不能算入。

猜你喜欢

发表评论
更多 网友评论0 条评论)
暂无评论

Copyright © 2012-2014 恰考网 Inc. 保留所有权利。 Powered by tikuer.com

页面耗时0.0330秒, 内存占用1.02 MB, Cache:redis,访问数据库19次