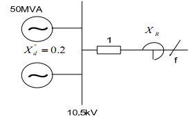
系统如图所示,原来出线1的断路器容量是按一台发电机考虑的,现在又装设一台同样的发电机,电抗器xR应选择____欧姆,使f点发生三相短路时,短路容量不变。 ...

作者: rantiku 人气: - 评论: 0
问题 系统如图所示,原来出线1的断路器容量是按一台发电机考虑的,现在又装设一台同样的发电机,电抗器xR应选择____欧姆,使f点发生三相短路时,短路容量不变。 (A) 0.10Ω (B) 0.2205Ω (C) 0.20Ω (D) 0.4410
选项
答案 B
解析 解:选B

猜你喜欢

发表评论
更多 网友评论0 条评论)
暂无评论

Copyright © 2012-2014 恰考网 Inc. 保留所有权利。 Powered by tikuer.com

页面耗时0.0703秒, 内存占用1.03 MB, Cache:redis,访问数据库20次