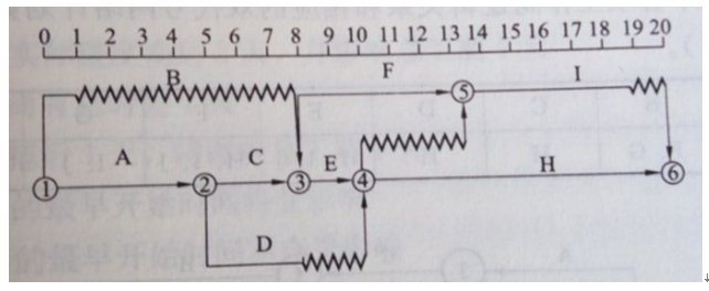
某工程双代号时标网络计划如下图所示,其关键线路是() A.1-3-4-5-6 B.1-2-3-4-6 C.1-2-4-5-6 D.1-2-...

作者: rantiku 人气: - 评论: 0
问题 某工程双代号时标网络计划如下图所示,其关键线路是()
选项 A.1-3-4-5-6 B.1-2-3-4-6 C.1-2-4-5-6 D.1-2-3-4-5-6
答案 B
解析 新版教材进度计划的相关内容

猜你喜欢

发表评论
更多 网友评论0 条评论)
暂无评论

访问排行

Copyright © 2012-2014 恰考网 Inc. 保留所有权利。 Powered by tikuer.com

页面耗时0.0368秒, 内存占用1.03 MB, Cache:redis,访问数据库18次