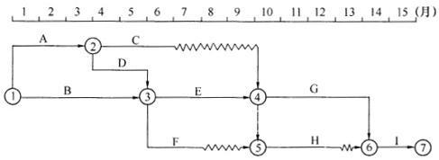
背景资料:某桥梁工程,合同工期15个月,总监理工程师批准的施工进度计划如下图所示。工程实施过程中发生下列事件:事件一:项目监理机构对G工作进行验收...

作者: rantiku 人气: - 评论: 0
问题 背景资料:某桥梁工程,合同工期15个月,总监理工程师批准的施工进度计划如下图所示。 工程实施过程中发生下列事件:事件一:项目监理机构对G工作进行验收时发现该工程质量达不到合格标准,需加固补强,导致直接经济损失60万元。事件二:在第5个月初到第8个月末的施工过程中,由于建设单位提出工程变更,使施工进度受到较大影响。截至第8个月末,未完工作尚需作业时间见下表。施工单位按索赔程序向项目监理机构提出了工程延期的要求。 问题: 1.该工程施工进度计划中关键工作和非关键工作分别有哪些?C工作的总时差和自由时差分别为多少? 2.事件一为哪一类质量事故?对于该质量事故,事故发生单位该怎么处理? 3.质量事故报告的内容有哪些? 4.事件二中,逐项分析第8个月末E、F工作的拖后时间及对工期和后续工作的影响程度,并说明理由。
选项
答案
解析 1.【参考答案】关键工作A、B、D、E、G、I;非关键工作C、F、H;C工作总时差3天;自由时差3天。【考点解析】总持续时间最长的线路称为关键线路,关键线路上的工作就叫关键工作,非关键线路上的工作为非关键工作。总时差指的是在不影响总工期的前提下,可以利用的机动时间,用工作的最迟开始时间LSi-j与最早开始时间ESi-j之差表示或最迟完成时间与最早完成时间之差。自由时差指的是在不影响其紧后工作最早开始时间的前提下,本工作可以利用的机动时间。自由时差一紧后最早开始时间一本工作最早完成时间。本题中有2条关键线路:A→D→E→G→I和B→E→G→I。所以关键工作为A、B、D、E、G、I,非关键工作为C、F、H。C工作总时差3天;此题的网络图为时标网络图,在时标网络计划中,当计划工期等于计算工期时,这些工作箭线中波形线的水平投影长度表示其自由时差,由时标网络图可以看出,C工作的自由时差为3天。 2.【参考答案】由于工程质量达不到合格标准,需加固补强,且直接经济损失在50万~150万元之间,可以判定该事故为二级一般质量事故。质量事故发生后,事故发生单位必须以最快的方式,将事故的简要情况同时向建设单位、监理单位、质量监督站报告。在质量监督站初步确定质量事故的类别性质后,事故发生单位应在3天内书面上报质量监督站.同时报企业上级主管部门、建设单位、监理单位和省级质量监督站。【考点解析】公路工程质量事故分质量问题、一般质量事故及重大质量事故三类。第一类:质量问题:质量较差、造成直接经济损失(包括修复费用)在20万元以下。第二类:一般质量事故:质量低劣或达不到合格标准,需加固补强,直接经济损失(包括修复费用)在20万元至300万元之间的事故。第三类:重大质量事故:由于责任过失造成工程倒塌、报废和造成人身伤亡或者重大经济损失的事故。其中一般质量事故分三个等级:①一级一般质量事故:直接经济损失在150万~300万元之间。②二级一般质量事故:直接经济损失在50万~150万元之间。③三级一般质量事故:直接经济损失在20万~50万元之间。所以事件1中的事故,可以判定为二级一般质量事故。质量事故发生后,事故发生单位必须以最快的方式,将事故的简要情况同时向建设单位、监理单位、质量监督站报告。在质量监督站初步确定质量事故的类别性质后,事故发生单位应在3天内书面上报质量监督站,同时报企业上级主管部门、建设单位、监理单位和省级质量监督站。 3.【参考答案】质量事故书面报告内容:(1)工程项目名称,事故发生的时间、地点,建设、设计、施工、监理等单位名称。(2)事故发生的简要经过、造成工程损伤状况、伤亡人数和直接经济损失的初步估计。(3)事故发生原因的初步判断。(4)事故发生后采取的措施及事故控制情况。(5)事故报告单位。【考点解析】质量事故书面报告内容:①工程项目名称,事故发生的时间、地点,建设、设计、施工、监理等单位名称。②事故发生的简要经过、造成工程损伤状况、伤亡人数和直接经济损失的初步估计。③事故发生原因的初步判断。④事故发生后采取的措施及事故控制情况。⑤事故报告单位。 4.【参考答案】E工作拖后2个月,工期和后续工作均延期2个月。理由:E工作为关键线路上的工作。F工作拖后2个月,对总工期和后续工作均无影响。理由:F工作总时差为3个月,拖后2个月不会影响总工期,自由时差为2个月,拖后2天不影响后续工作。【考点解析】E工作为关键线路上的工作,8月末,E工作尚需1个月完成,由于建设单位提出工程变更所造成的工期延后,E工作尚需3个月才能完成,故E工作拖后2个月,工期和后续工作均延期2个月。F工作是非关键工作,按照原计划,F工作本应在7月末完成,由于建设单位提出工程变更所造成的工期延后,F工作尚需1个月才能完成,故F工作拖后2个月。由于F工作为非关键工作,且其本身就有2个月的自由时差,所以它的延后对总工期和后续工作均无影响。

猜你喜欢

发表评论
更多 网友评论0 条评论)
暂无评论

访问排行

Copyright © 2012-2014 恰考网 Inc. 保留所有权利。 Powered by tikuer.com

页面耗时0.0341秒, 内存占用1.05 MB, Cache:redis,访问数据库19次