需要长期保留的基准线和基准点,则设置永久中心标版和永久基准点,最好采用( )制作。A. 普通钢材 B. 铜材 C. 铸铁 D. 镀锌钢板

作者: rantiku 人气: - 评论: 0
问题 需要长期保留的基准线和基准点,则设置永久中心标版和永久基准点,最好采用( )制作。
选项 A. 普通钢材 B. 铜材 C. 铸铁 D. 镀锌钢板
答案 B
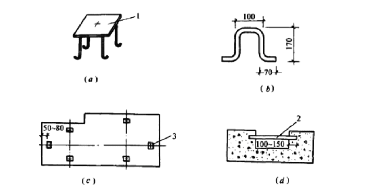
解析 永久基准线和基准点的设置要求 (1)在较长的安装期间和生产检修使用时,需要长期保留的基准线和基准点,则设置永久中心标板和永久基准点,最好采用铜材或不锈钢材制作,用普通钢材制作需采取防腐措施,例如涂漆或镀锌。P37 中心标板(① 配合土建埋设;② 基础养护期满埋设);根据施工图,按建筑物的定位轴线来测定机械设备的纵、横中心线并标注在中心标板上,作为设备安装的基准线。设备安装平面基准线不少于纵、横两条。 设备基础中心线标桩的埋设 中心线标板 可采用小钢板下面加焊两锚固脚的型式(图a),或用φ18~22mm的钢筋制成卡钉(图b),在基础混凝土未凝固前,将其埋设在中心线的位置(图c),埋标时应使顶面露出基础面3~5mm,至基础的边缘为50~80mm。若主要设备中心线通过基础凹形部分或地沟时,则埋设50mm*50mm的角钢或100mm*50mm的槽钢(图d)。 设备基础中心线标桩的埋设

猜你喜欢

发表评论
更多 网友评论0 条评论)
暂无评论
错误啦!

错误信息

  • 消息: [程序异常] : MISCONF Redis is configured to save RDB snapshots, but it's currently unable to persist to disk. Commands that may modify the data set are disabled, because this instance is configured to report errors during writes if RDB snapshotting fails (stop-writes-on-bgsave-error option). Please check the Redis logs for details about the RDB error.
  • 文件: /twcms/kongphp/cache/cache_redis.class.php
  • 位置: 第 85 行
    <?php echo 'KongPHP, Road to Jane.'; ?>