根据对危险源的识别,当危险源造成风险的可能性很大,且为中度损失时,此时的风险级别属于( )级。A、Ⅰ B、Ⅱ C、Ⅲ D、Ⅳ

作者: rantiku 人气: - 评论: 0
问题 根据对危险源的识别,当危险源造成风险的可能性很大,且为中度损失时,此时的风险级别属于( )级。
选项 A、Ⅰ B、Ⅱ C、Ⅲ D、Ⅳ
答案 D
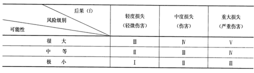
解析 根据《职业健康安全管理体系实施指南》GB/T 28002-2011推荐的简单的风险等级评估表,如下所示:

猜你喜欢

发表评论
更多 网友评论0 条评论)
暂无评论

访问排行

Copyright © 2012-2014 恰考网 Inc. 保留所有权利。 Powered by tikuer.com

页面耗时0.0394秒, 内存占用1.03 MB, Cache:redis,访问数据库18次