某水闸上游连接段分部工程施工进度计划如下图所示,对应合同工程量及单价见下表。 合同约定: (1)预付款为合同价款的10%,开工前支付,...

作者: rantiku 人气: - 评论: 0
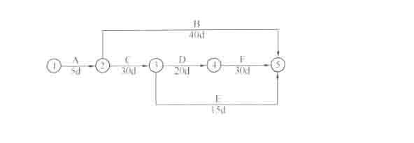
问题 某水闸上游连接段分部工程施工进度计划如下图所示,对应合同工程量及单价见下表。 合同约定: (1)预付款为合同价款的10%,开工前支付,从第一个月开始每月平均扣回。 (2)保留金自第一个月起,按各月工程进度款的5%扣留。 1.指出网络计划的工期、关键线路。 2.计算工程预付款及新增“上游护底换土”后合同总价。 3.若实际工程量与合同工程量相等,各项工作均以最早时间开工且均匀施工,每月以30d计算。计算第1个月的工程进度款、实际支付金额。 4.指出事件二中的不要之处。简要说明理由。 施工过程中发生如下事件: 事件一:土方开挖时发现上游护底地基为软弱土层,需进行换土处理。经协商确定,增加的“上游护底换土”,工程量为1000m3,单价为22.5元/m3(含开挖、换土回填的综合价格),时间为10d,方案确定并在“土方开挖”完成后马上施工。 事件二:上游翼墙混凝土浇筑前,为保证安全,监理单位根据有关规定指示承包人架设安全网,承包人为此要求增加临时设施费用。
选项
答案
解析 1.网络计划的工期为85d,关键线路为①→②→③→④→⑤(A→C→D→F)。 2.原合同价为5000*8.5+600*170+1400*720+600*680+1300*11.2+720*150=1683060元 预付款为:原合同价*10%=1683060*10%=168306元 新增“上游护底换土”后合同总价:1683060+1000*22.5=1705560元 3.第1月工程进度款=5000*8.5+600*(25/40)*170+1400*(25/30)*720+1000*22.5=968750元 预付款扣回=168306/3=56102元 保留金扣留=968750*5%=48437.5元 实际支付金额=968750-56102-48437.5=864210.5元 4.承包人要求增加临时设施费用不妥。 因为翼墙施工综合单价内已含安全网架设(安全文明施工措施)费,发包人不另行支付。

猜你喜欢

发表评论
更多 网友评论0 条评论)
暂无评论

访问排行

Copyright © 2012-2014 恰考网 Inc. 保留所有权利。 Powered by tikuer.com

页面耗时0.0337秒, 内存占用1.03 MB, Cache:redis,访问数据库14次