背景 承包人与发包人签订了新建水闸工程项目的合同,合同约定:开工日期为2013年11月1日,签约合同价为800万元。承包人根据新建水闸工程的部分工程的...

作者: rantiku 人气: - 评论: 0
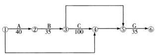
问题 背景 承包人与发包人签订了新建水闸工程项目的合同,合同约定:开工日期为2013年11月1日,签约合同价为800万元。承包人根据新建水闸工程的部分工程的施工逻辑关系表绘制了如下网络计划图(每月均以30天计)。 施工中发生如下事件:事件一:由于遇到强风暴冲毁运输道路,新制闸门2014年4月25日才运抵施工现场。事件二:在对闸墩进行质量检查中,发现部分止水达不到质量标准,需返工处理,C工作于2014年4月30日完成。事件三:截至2014年2月,工程量统计表如下。 问题: 1.请根据逻辑关系表,将背景资料中网络计划图补充完整。 2.指出关键工作(用工作代码表示)和网络计划完成日期。 3.分别说明事件一、事件二所造成的延误对计划工期有何影响;如若其他工作均按计划进行,确定该项目的实际完成日期。 4.截至2014年2月底,计算实际累计工程超过(拖欠)计划累计工程量占总工程量的百分比。
选项
答案
解析 1.①→④为D工作、③→⑤为F工作、④→⑤为E工作。持续时间分别为150(天)、60(天)、30(天)。 2.关键工作为A、B、C、E、G工作。网络计划完成时间为2014年6月30日。 3.事件一中D工作,计划工作时间为150天,总时差为25天,而D工作的实际完成时间为175天,对计划工期没有影响。事件二中的C工作计划应在2014年4月25日完成,与实际完成日期相差5天,C工作为关键工作,故工期将推迟5天。该项目的实际完成日期为2014年7月5日。 4.2014年2月末计划完成累计工程量为400万元,实际完成累计工程量392万元,总工程量(签约合同价)为800万元,实际拖欠累计工程量占总工程量的1%。 本案例第1问主要考查绘制网络计划的逻辑关系。D工作没有紧前工作,且E工作的紧前工作为C、D工作,故①→④为D工作;F工作的紧前工作为B工作,且G工作的紧前工作为F工作,故③→⑤为F工作;E工作紧前工作为C工作和D工作,且G工作的紧前工作为E工作,故④→⑤为E工作。持续时间见逻辑关系表。 本案例第2问主要考查网络时间参数的计算及确定关键工作方法。(1)通过工作、节点计算时间参数,总时差为最小的工作为关键工作,由关键工作组成的线路为关键线路。(2)最长线路法计算总工期、确定关键线路(关键工作)。线路持续时间最长的线路为关键线路,关键线路上的工作为关键工作,最长线路上工作持续时间之和为总工期。本题采用最长线路法计算:①→②→③→⑤→⑥(40+35+60+35=170天);①→②→③→④→⑤→⑥(40+35+100+30+35=240天);①→④→⑤→⑥(150+30+35=215天)。计划工期为240天,每月30天计,8个月,从2013年11月1日开始,完成日期为2014年6月30日。 本案例第3问主要考查网络计划时间。根据网络计划的时间参数,确定C工作、D工作的最迟完成日期,与实际数据比较,判定工作延误对工期有无影响。D工作持续时间150天与总时差25天之和为175天,从2013年11月1日起,第175天为2014年4月25日,正好与实际完成日期相同,故对计划工期没有影响。C工作的最早(最迟)完成日期为开工后第175天,应为2014年4月25日,但实际完成日期为2014年4月30日,故工期将推迟5天。由于C工作的影响,实际完成时间为245天,应为2014年7月5日 本案例第4问主要考查工程量计算。分别计算实际累计工程量、计划累计工程量,将两者之差与总工程量比较。

猜你喜欢

发表评论
更多 网友评论0 条评论)
暂无评论
错误啦!

错误信息

  • 消息: [程序异常] : MISCONF Redis is configured to save RDB snapshots, but it's currently unable to persist to disk. Commands that may modify the data set are disabled, because this instance is configured to report errors during writes if RDB snapshotting fails (stop-writes-on-bgsave-error option). Please check the Redis logs for details about the RDB error.
  • 文件: /twcms/kongphp/cache/cache_redis.class.php
  • 位置: 第 85 行
    <?php echo 'KongPHP, Road to Jane.'; ?>