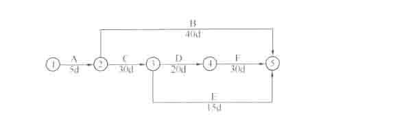
某水闸上游连接段分部工程施工进度计划如下图所示,对应合同工程量及单价见下表。 合同约定: (1)预付款为合同价款的10%,开工前支付,...

作者: rantiku 人气: - 评论: 0
问题 某水闸上游连接段分部工程施工进度计划如下图所示,对应合同工程量及单价见下表。 合同约定: (1)预付款为合同价款的10%,开工前支付,从第一个月开始每月平均扣回。 (2)保留金自第一个月起,按各月工程进度款的5%扣留。 1.指出网络计划的工期、关键线路。 2.计算工程预付款及新增“上游护底换土”后合同总价。 3.若实际工程量与合同工程量相等,各项工作均以最早时间开工且均匀施工,每月以30d计算。计算第1个月的工程进度款、实际支付金额。 4.指出事件二中的不要之处。简要说明理由。 施工过程中发生如下事件: 事件一:土方开挖时发现上游护底地基为软弱土层,需进行换土处理。经协商确定,增加的“上游护底换土”,工程量为1000m3,单价为22.5元/m3(含开挖、换土回填的综合价格),时间为10d,方案确定并在“土方开挖”完成后马上施工。 事件二:上游翼墙混凝土浇筑前,为保证安全,监理单位根据有关规定指示承包人架设安全网,承包人为此要求增加临时设施费用。
选项
答案
解析 1.网络计划的工期为85d,关键线路为①→②→③→④→⑤(A→C→D→F)。 2.原合同价为5000*8.5+600*170+1400*720+600*680+1300*11.2+720*150=1683060元 预付款为:原合同价*10%=1683060*10%=168306元 新增“上游护底换土”后合同总价:1683060+1000*22.5=1705560元 3.第1月工程进度款=5000*8.5+600*(25/40)*170+1400*(25/30)*720+1000*22.5=968750元 预付款扣回=168306/3=56102元 保留金扣留=968750*5%=48437.5元 实际支付金额=968750-56102-48437.5=864210.5元 4.承包人要求增加临时设施费用不妥。 因为翼墙施工综合单价内已含安全网架设(安全文明施工措施)费,发包人不另行支付。

猜你喜欢

发表评论
更多 网友评论0 条评论)
暂无评论
错误啦!

错误信息

  • 消息: [程序异常] : MISCONF Redis is configured to save RDB snapshots, but it's currently unable to persist to disk. Commands that may modify the data set are disabled, because this instance is configured to report errors during writes if RDB snapshotting fails (stop-writes-on-bgsave-error option). Please check the Redis logs for details about the RDB error.
  • 文件: /twcms/kongphp/cache/cache_redis.class.php
  • 位置: 第 85 行
    <?php echo 'KongPHP, Road to Jane.'; ?>