某泵站加固改造工程施工内容包括:引渠块石护坡拆除重建、泵室混凝土加固、设备更换、管理设施改造等。招标文件按照《水利水电工程标准施工招标文件》编制。某公司参...

作者: rantiku 人气: - 评论: 0
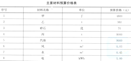
问题 某泵站加固改造工程施工内容包括:引渠块石护坡拆除重建、泵室混凝土加固、设备更换、管理设施改造等。招标文件按照《水利水电工程标准施工招标文件》编制。某公司参加了投标。为编制投标文件,公司做了以下准备工作。 工作1:搜集整理投标报价所需的主要材料和次要材料价格。其中,主要材料预算价格如下表所示。 工作2:根据招标文件中对项目经理的职称和业绩加分要求,拟定张*为项目经理,准备了张*的身份证、工资关系、人事劳动合同证明材料、社会保险证明材料、相关证书及类似项目业绩。 工作3:根据招标文件对资格审查资料的要求,填写公司基本情况表、资格审查自审表、原件的复印件等相关表格,并准备了相关原件。 问题: 1.指出工作1主要材料预算价格表中,甲、乙、丙、丁、戊所代表的材料或单位名称。除表格所列材料外,为满足编制本工程投标报价的要求,该公司还需搜集哪些主要材料价格? 2.工作2中,该公司应准备张*的相关证书有哪些?为证明张*业绩有效,需提供哪些证明材料? 3.工作3中,公司基本情况表后附的公司相关证书有哪些?除工作3中所提到的相关表格外,该公司为满足资格审查的要求,还需填写的表格有哪些?
选项
答案
解析 1.甲代表钢筋; 乙代表水泥; 丙代表柴油; 丁代表t或吨; 戊代表m3或立方米。 还需要搜集整理价格的有:黄砂(沙)、块石、板枋(或木材)。 2.应准备的张*证书包括:职称聘任证书、注册建造师证书、安全生产考核合格证书。 证明业绩有效的资料有:业绩项目的中标通知书、合同协议书、合同工程完工(验收鉴定)证书或竣工(验收鉴定)证书。 3.(1)后附的公司证书包括营业执照、资质证书、安全生产许可证。 (2)应填报的资格审查资料表还包括:近5年完成的类似项目情况表、正在施工和新承接的项目情况表、近3年发生的诉讼及仲裁情况、近3年财务状况表。 1.基础单价是计算建筑、安装工程单价的基础,通常包括人工预算单价,材料预算价格,电、风、水预算价格,施工机械台时费,砂石料单价,混凝土材料单价。 水利工程中的主材(钢材、木材、水泥等)和地方三材(块石、黄砂、碎石)所占比重大,用量多,对于造价的影响大,一般需编制材料预算价格。材料预算价格是指购买地运到工地分仓库(或堆放场地)的出库价格。材料预算价格一般包括材料原价、运杂费、运输保险费、采购及保管费四项,个别材料若规定另计包装费的另行计算。 题目中,水泥、柴油、钢筋均属主材,其市场价格水平及单位是实践常识,且有明显差异;黄砂(沙)、块石和碎石是地方三材。上述知识是水利工程造价管理知识中的基本概念,需要掌握。板枋(或木材)属于混凝土工程施工必备的材料。 需要指出的是,答案所列还需要搜集整理价格仅指主要材料,其他材料属于次要材料,是一个特定概念,不可混淆。 [解答分析]这是一道水利工程造价管理方面的题,主要考核考生对基础单价中主要材料和地方三材预算价格知识的掌握。 2.招标人可以对潜在投标人或者投标人进行资格审查。资格审查分为资格预审和资格后审。项目经理资格是施工招标主要资格审查因素。 根据《水利水电工程标准施工招标文件》(2009年版),项目经理应当由本单位的水利水电工程专业注册建造师担任。拟担任项目经理的注册建造师应符合《水利水电工程注册建造师执业工程范围和执业工程规模标准》,有一定数量类似工程业绩,具备有效的安全生产考核合格证书,并属于投标人本单位人员。 业绩一般指类似工程业绩。业绩的类似性包括功能、结构、规模、造价等方面,应根据招标项目具体特点,约定在招标文件中。 投标人业绩以合同工程完工证书颁发时间为准。投标人应按招标文件要求填报“近5年完成的类似项目情况表”,并附中标通知书和(或)合同协议书、工程接收证书(工程竣工验收证书)、合同工程完工证书的复印件。 [解答分析]这是一道关于水利工程招标投标管理知识的题,主要考核考生对资格审查因素的掌握情况。 3.招标文件应当对投标人资格审查资料做出规定。根据《水利水电工程标准施工招标文件》(2009年版),投标人须填报的资格审查资料规定如下: (1)“投标人基本情况表”应附投标人营业执照副本及其年检合格的证明材料、资质证书副本和安全生产许可证等材料的复印件。 (2)“近3年财务状况表”应附经会计师事务所或审计机构审计的财务会计报表,包括资产负债表、现金流量表、利润表和财务情况说明书的复印件。 (3)“近5年完成的类似项目情况表”应附中标通知书和(或)合同协议书、工程接收证书(工程竣工验收证书)的复印件。每张表格只填写一个项目,并标明序号。 (4)“正在施工和新承接的项目情况表”应附中标通知书和(或)合同协议书复印件。每张表格只填写一个项目,并标明序号。 (5)“近3年发生的诉讼及仲裁情况”应说明相关情况,并附法院或仲裁机构作出的判决、裁决等有关法律文书复印件。 (6)投标人须知前附表规定接受联合体投标的,第1项至第5项规定的表格和资料应包括联合体各方相关情况。 需要指出的是,根据《水利水电工程标准施工招标文件》(2009年版),上述资格审查证明资料一般统一要求在“招标文件第八章原件复印件”中。投标人在资格审查自审表中先自审,最终审查结果由评标委员会认定。 [解答分析]这是一道水利工程招标投标管理知识的题,主要考核考生对资格审查证明材料的掌握情况。

猜你喜欢

发表评论
更多 网友评论0 条评论)
暂无评论

访问排行

Copyright © 2012-2014 恰考网 Inc. 保留所有权利。 Powered by tikuer.com

页面耗时0.0336秒, 内存占用1.05 MB, Cache:redis,访问数据库19次