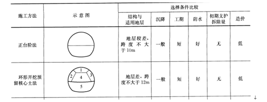
环形开挖预留核心土法适用于地质条件差的地层、修建跨度不大于( )m的隧道。A.6 B.8 C.10 D.12

作者: rantiku 人气: - 评论: 0
问题 环形开挖预留核心土法适用于地质条件差的地层、修建跨度不大于( )m的隧道。
选项 A.6 B.8 C.10 D.12
答案 D
解析 参见喷锚暗挖(矿山)法开2K313031挖方式与选择条件表

猜你喜欢

发表评论
更多 网友评论0 条评论)
暂无评论

访问排行

Copyright © 2012-2014 恰考网 Inc. 保留所有权利。 Powered by tikuer.com

页面耗时0.0404秒, 内存占用1.03 MB, Cache:redis,访问数据库20次