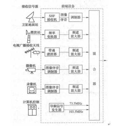
有线电视系统一般由信号源、前端设备、干线传输系统和用户分配网络组成,前端设备不包括( )。A.调制器 B.放大器 C.均衡器 D.滤波器

作者: rantiku 人气: - 评论: 0
问题 有线电视系统一般由信号源、前端设备、干线传输系统和用户分配网络组成,前端设备不包括( )。
选项 A.调制器 B.放大器 C.均衡器 D.滤波器
答案 C
解析 本题考查的是有线电视和卫星接收系统。参见教材P455。

猜你喜欢

发表评论
更多 网友评论0 条评论)
暂无评论

访问排行

Copyright © 2012-2014 恰考网 Inc. 保留所有权利。 Powered by tikuer.com

页面耗时0.0332秒, 内存占用1.03 MB, Cache:redis,访问数据库19次