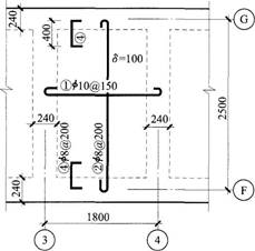
一现浇钢筋混凝土板(如图),则一个区格板上的①号筋的工程量为(  )kg。 A.14.538 B.17.770 C.17.893 D.20...

作者: rantiku 人气: - 评论: 0
问题 一现浇钢筋混凝土板(如图),则一个区格板上的①号筋的工程量为(  )kg。
选项 A.14.538 B.17.770 C.17.893 D.20.130
答案 C
解析 钢筋工程量以钢筋长度(面积)乘单位理论质量计算,为此,应求出①号筋的单根长度及一块区格板内的根数。 单根长度:①号筋伸入墙内中心线处加180°弯钩,直线长为1.80m,一个弯钩加6.25d,两个弯钩加12.5d即0.125m。 ∴单根长为1.8125m ①号筋根数:①号筋系在净进深(2.5-0.24)m范围内以150mm间距配量 ①号筋在一块区格板内的工程量为16*1.8125*0.617=17

猜你喜欢

发表评论
更多 网友评论0 条评论)
暂无评论

访问排行

Copyright © 2012-2014 恰考网 Inc. 保留所有权利。 Powered by tikuer.com

页面耗时0.0529秒, 内存占用1.03 MB, Cache:redis,访问数据库19次