本试题分三个专业(Ⅰ.土建工程、Ⅱ.管道和设备工程、Ⅲ.电气和自动化控制工程),请任选其中一题作答。若选作多题,按所答的第一题(卷面顺序)计分。Ⅰ.土...

作者: rantiku 人气: - 评论: 0
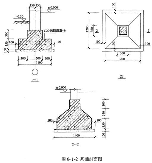
问题 本试题分三个专业(Ⅰ.土建工程、Ⅱ.管道和设备工程、Ⅲ.电气和自动化控制工程),请任选其中一题作答。若选作多题,按所答的第一题(卷面顺序)计分。 Ⅰ.土建工程 某工程基础平面图如图6-Ⅰ-1所示,现浇钢筋混凝土带形基础、独立基础的尺寸如图6-Ⅰ-2所示。混凝土垫层强度等级为C 1 5,混凝土基础强度等级为C20,按外购商品混凝土考虑。 混凝土垫层支模板浇筑,公证面宽度300mm,槽坑底面用电动夯实机夯实,费用计入混凝土垫层和基础中。 直接工程费单价表,见表6-Ⅰ-1。 基础定额表,见表6-Ⅰ-2 。 依据《建设工程工程量清单计价规范》计算原则,以人工费、材料费和机械使用费之和为基数,取管理费率5%、利润率4%;以分部分项工程量清单计价合计和模板及支架清单项目费之和为基数,取临时设施费率1.5%、环境保护费率0.8%、安全和文明施工费率1.8%。 问题: 依据《建设工程工程量清单计划规范》的规定(有特殊注明除外)完成下列计算: 1.计算现浇钢筋混凝土带形基础,独立基础、基础垫层的工程量。将计算过程及结果填入表6-Ⅰ-3“分部分项工程量计算表”。 棱台体体积公式为V=1/3*h*(a2+b2+a*b) 2.编制现浇混凝土带形基础、独立基础的分部分项工程量清单,说明项目特征。(带形基础的项目编码为010401001,独立基础的项目编码为010401002)填入表6-Ⅰ-4“分部分项工程量清单”。 3.依据提供的基础定额数据,计算混凝土带形基础的分部分项工程量清单综合单价,填入表6-Ⅰ-5“分部分项工程量清单综合单价分析表”,并列出计算过程。 4.计算带形基础、独立基础(坡面不计算模板工程量)和基础垫层的模板工程量,将计算过程及结果填入表6-Ⅰ-6“模板工程量计算表”。 5.现浇混凝土基础工程的分部分项工程量清单计价合价为57 686.00元,计算措施项目清单费用,填入表6-Ⅰ-7“措施项目清单计价表”,并列出计算过程。 (计算结果均保留两位小数) Ⅱ.管道和设备工程 某写字楼部分消防系统图如图6-Ⅱ-1所示。 1.消防管道采用热镀锌钢管、不锈钢消防水箱尺寸为:3m*3m*2m(长*宽*高); 2.公称直径DN100的消防管道采用卡箍连接,其余采用丝扣连接; 3.室内消防管道刷银粉一道,非采暖房间管道包橡塑保温管,埋地管道作沥青玻璃布 五层防腐;屋顶水箱外包橡塑保温材料,厚度为30mm。 问题: 1.依据《建设工程工程量清单计价规范》(GB 50500-2013),计算该DN150消防镀锌管道、消火栓、消防水箱及阀门的工程量,将计算过程及结果填入分部分项工程量计算表。 2.依据《建设工程工程量清单计价规范》(GB 50500-2013),编制该DN150消防垂直管道、消火栓、消防水箱及阀门的分部分项工程量清单,填入分部分项工程量清单表。消防系统各分部分项工程量清单项目的统一编码为:消防镀锌钢管的项目编码为030701003、消火栓的项目编码为030701018、消防水箱的项目编码为030804014、阀门的项目编码为030701007。 3.假设消防水箱的清单工程量为1 8m3,根据分部分项工程量清单项目的工料机单价表,按《建设工程工程量清单计价规范》(GB-0500-2013)中综合单价的内容要求,编制消防水箱的综合单价,并填入分部分项工程量清单综合单价计算表。管理费按人工费的85%计算,利润按人工费的60%。计算(计算结果均保留两位小数)。 Ⅲ.电气和自动化控制工程 某二层招待所局部电气平面图,如图6-Ⅲ-1所示: 1.AL、AL1、AL2均为定型照明配电箱,安装高度底边距地面600mm,室内地面标 高为0.00,室外地面标高为-0.45m; 2.电缆穿钢管直埋,经过落地电缆换线箱引入AL(电缆换线箱的尺寸忽略不计),水平长度见图中括号内数字;电缆沟(一般土沟)宽1m,沟底标高为-0.8m,室外部分电缆穿越街道应加直径为120mm的混凝土保护管,每段长度为6m; 3.计算电缆长度时不计算电缆敷设长度、波形弯度和交叉的附加长度,连接箱体处,出管后电缆的预留长度为1m,电缆头为户内干包式,其除加长度不计; 4.照明回路采用镀锌钢管DN20沿顶板暗配,动力(插座)回路采用镀锌钢管DN32沿地面暗配;建筑物层高3m,灯具为半圆球吸顶灯,插座距顶0.3 121m,开关距地1.3m。 1.AL、AL1、AL2配电箱尺寸分别为450*800*400、400*700*400、400*700*400(宽*高*厚); 2.照明回路穿绝缘导线BV2*2.5mm2,动力(插座)回路穿绝缘导线BV3*4mm2。 3.配管水平长度见图示括号内数字,单位m。 问题: 1.依据《建设工程工程量清单计价规范》(GB 50500-2013),计算该工程的电缆、配电箱、AL1、AL2回路的配管、配线、灯具、开关和插座的工程量。将计算过程及结果填入分部分项工程量计算表。 2.依据《建设工程工程量清单计价规范》(GB50500-2013),编制该工程的电缆、配电箱、灯具、开关和插座的分部分项工程量清单,填入分部分项工程量清单表。电气系统各分部分项工程量清单项目的统一编码为:电缆的项目编码为030208001、配电箱的项目编码为0302040 1 8、电气配管的项目编码为0302 1 200 1、电气配线的项目编码为0302 1 2003、半圆球吸顶灯的项目编码为0302 1 300 1、小电器的项目编码为03020403 1 。 3.假设电缆清单工程量为31m,根据分部分项工程量清单项目的工料机单价表,按《建设工程工程量清单计价规范》(GB 50500-20 1 3)中综合单价的内容要求,编制分部分项工程量清单综合单价计算表。管理费按人工费的65%计算,利润按人工费的35%的计算(计算结果均保留两位小数)。
选项
答案
解析 Ⅰ.土建工程 1. 2. 3. 槽底夯实:槽底面积:( 1.30+0.3*2)*72=136.8(m2) 人工费:0.0 142*52.36*136.8=101.71(元) 机械费:0.0 056*31.54*136.8=24.16(元) 垫层混凝土:工程量:1.30*0.1*72=9.36(m2) 人工费:0.733*52.36*9.36=359.25(元) 材料费:(1.015*252.40+0.867*2.92+0.136*2.25)*9.36=2 424.46(元) 机械费:(0.061*23.51+0.062*154.80)*9.36=103.26(元) 基础混凝土:工程量:38.52(m3) 人工费:0.956*52.36*38.52=1928.16(元) 材料费:(1.015*266.05+0.919*2.92+0.252*2.25)*38.52=10 527.18(元) 机械费:(0.077*23.51+0.078*154.80)*38.52=534.84(元) 综合单价组成:人工费:(101. 71+359.24+1928.16)/38.52=62.02(元) 材料费:(2 424.46+10 527.18)/38.52=336.23(元) 机械费:( 24.16+103.26+534.84)/38.52=17.19(元) 直接费:62.02+3 36.23+17.19=415.44(元) 管理费:415.44*5%=20.77(元) 利润:415.44*4%=16.62(元) 综合单价:415.44+20.77+16.62=452.83(元/m3) 4. 5.模板及支架:(93.6*31.98+4.22*28.72+15.51*25.68)*(1+5%+4%) =3 829.26(元) 临时设施:(57 686+3 829.26)*1.5%=922.73(元) 环境保护:(57 686+3 829.26)*0.8%=492.12(元) 安全和文明施工:(57 686+3 829.26)*1.8%=1 107.27(元) 合计:3 829.26+922.73+492.12+1 107.27=6 351.38(元) Ⅱ.管道和设备工程 1. 2. Ⅲ.电气和自动化控制工程 1. 2. 3.

猜你喜欢

发表评论
更多 网友评论0 条评论)
暂无评论

访问排行

Copyright © 2012-2014 恰考网 Inc. 保留所有权利。 Powered by tikuer.com

页面耗时0.0569秒, 内存占用1.05 MB, Cache:redis,访问数据库19次