Ⅱ.管道设备工程 【背景资料】某专业设施运行控制楼的一端上部设有一室外楼梯。楼梯主要结构由现浇钢筋混凝土平台梁、平台板、梯梁和踏步板组成,其他部位不考...

作者: rantiku 人气: - 评论: 0
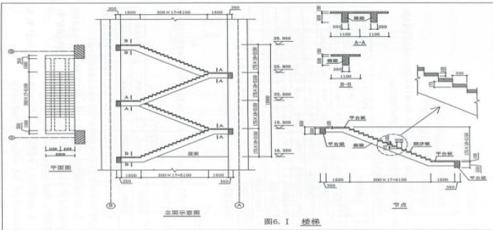
问题 Ⅱ.管道设备工程 【背景资料】某专业设施运行控制楼的一端上部设有一室外楼梯。楼梯主要结构由现浇钢筋混凝土平台梁、平台板、梯梁和踏步板组成,其他部位不考虑。局部结构布置,如图6.I 所示,每个楼梯段梯梁侧面的垂直投影面积(包括平台板下部)可按5.01m2 计算。现浇混凝土强度等级均为C30,采用5-20mm 粒径的碎石、中粗砂和42.5 的硅酸盐水泥拌制。 问题:1.按照局部结构布置图6.I,在答题纸上表6.I.1“工程量计算表”中,列式计算楼梯的现浇钢筋混凝土体积工程量。 2.(1)按照《房屋建筑与装饰工程计量规范》的规定,列式计算现浇混凝土直形楼梯的工程量(列出计算过程)。 (2)施工企业按企业定额和市场价格计算出每立方米楼梯现浇混凝土的人工费、材料费、机械使用费分别为: 165 元、356.6 元、52.1 元。并以人工费、材料费、机械费之和为基数计取管理费(费率取9%)和利润(利润率取4%)。在答题纸上表6.I.2“工程量清单综合单价分析表”中,作现浇混凝土直形楼梯的工程量清单综合单价分析(现浇混凝土直形楼梯的项目编码为010406001)。 3. 按照《建设工程工程量清单计价规范》(GB50500-2013)的规定,在答题纸上表6.I.3“分部分项工程量清单与计价表”中,编制现浇混凝土直形楼梯工程量清单及计价表。 (注:除现浇混凝土工程量和工程量清单综合单价分析表中数量栏保留三位小数外,其余保留两位小数) 4.利用以下相关数据,在答题纸表6.I.4 中编制某单位工程竣工结算汇总表。已知相关数据如下:①分部分项工程费用为16000000.00 元;②单价措施费用为440000.00 元,安全文明施工费为分部分项工程费的3.82%。③规费为分部分项工程费。措施项目费及其他项目费合计的3.16%,④税金税率为3 %。(计算结果保留两位小数)
选项
答案
解析

猜你喜欢

发表评论
更多 网友评论0 条评论)
暂无评论

访问排行

Copyright © 2012-2014 恰考网 Inc. 保留所有权利。 Powered by tikuer.com

页面耗时0.0425秒, 内存占用1.04 MB, Cache:redis,访问数据库18次