某写字楼标准层电梯厅共20套,施工企业中标的“分部分项工程和单价措施项目清单与计价表”如表3-15所示。现根据图3-19“标准层电梯厅楼地面铺装尺寸图”、...

作者: rantiku 人气: - 评论: 0
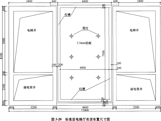
问题 某写字楼标准层电梯厅共20套,施工企业中标的“分部分项工程和单价措施项目清单与计价表”如表3-15所示。现根据图3-19“标准层电梯厅楼地面铺装尺寸图”、图3-20“标准层电梯厅吊顶布置尺寸图”所示的电梯厅土建装修竣工图及相关技术参数,按下列问题要求编制电梯厅的竣工结算。 图纸说明: 1.本写字楼标准层电梯厅共20套。 2.墙面干挂石材高度为3000mm,其石材外皮距结构面尺寸为100mm。 3.弱电竖井门为钢骨架石材装饰门(主材同墙体),其门口不设过门石。 4.电梯墙面装饰做法延展到走廊600mm。 表3-16装修做法表 问题: (1)根据工程竣工图纸及技术参数,按《房屋建筑与装饰工程工程量计算规范》GB 50854--2013的计算规则,在表3-17工程量计算表中,列式计算该20套电梯厅楼地面、墙面(装饰高度3000mm)、天棚、门和门套等土建装饰分部分项工程的结算工程量(竖井装饰门内的其他项目不考虑)。 (2)根据问题(1)的计算结果及合同文件中“分部分项工程和单价措施项目清单与计价表”的相关内容,按《建设工程工程量清单计价规范》GB 50500--2013的要求,在表3-18分部分项工程和单价措施项目清单与计价表中编制该土建装饰工程结算。 (3)按该分部分项工程竣工结算金额1600000.00元,单价措施项目清单结算金额为18000.00元取定,安全文明施工费按分部分项工程结算金额的3.5%计取,其他项目费为零,人工费占分部分项工程及措施项目费的13%,规费按人工费的21%计取,营业税金及附加按3.48%计取。按《建设工程工程量清单计价规范》(GB 50500--2013)的要求,列式计算安全文明施工费、措施项目费、规费、营业税金及附加费,并在表3-19单位工程竣工结算汇总表中编制该土建装饰工程结算。 (计算结果保留两位小数)
选项
答案
解析 问题(1): 问题(2): 表3-18分部分项工程和单价措施项目清单与计价表 问题(3): (1)安全文明施工费:1600000*3.5%=56000.O0(元) (2)规费:(1600000+74000)*13%*21%=45700.20(元) (3)税金:(1600000+74000+45700.2)*3.48%=59845.57(元) 表3.19单位工程竣工结算汇总表

猜你喜欢

发表评论
更多 网友评论0 条评论)
暂无评论

访问排行

Copyright © 2012-2014 恰考网 Inc. 保留所有权利。 Powered by tikuer.com

页面耗时0.0353秒, 内存占用1.04 MB, Cache:redis,访问数据库19次