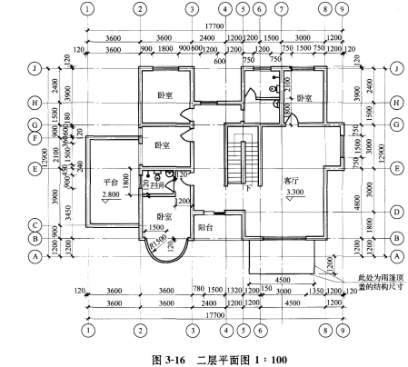
某别墅部分设计如图3-15~图3-19所示。墙体除注明外均为240mm厚。坡屋面构造做法:钢筋混凝土屋面板表面清扫干净,素水泥浆一道,20mm厚1:3水泥...

作者: tihaiku 人气: - 评论: 0
问题 某别墅部分设计如图3-15~图3-19所示。墙体除注明外均为240mm厚。坡屋面构造做法:钢筋混凝土屋面板表面清扫干净,素水泥浆一道,20mm厚1:3水泥砂浆找平.刷热防水膏,采用20mm厚1:3干硬性水泥砂浆防水保护层.25mm厚1:1:4水泥石灰砂浆铺瓦屋面。卧室地面构造做法:素土夯实,60mm厚C10混凝土垫层,20mm厚1:2水泥砂浆抹面压光。卧室楼面构造做法:150mm现浇钢筋混凝土楼板,素水泥浆一道。20mm厚1:2水泥砂浆抹面压光。 问题: 1.依据《建筑工程建筑面积计算规范》的规定,计算别墅的建筑面积。将计算过程及计量单位、计算结果填入表3—57“建筑面积计算表”。 2.依据《建设工程工程量清单计价规范》计算卧室(不含卫生间)楼面、地面工程量,计算坡屋面工程量。将计算过程及结果填入表3-58“分部分项工程量计算表”。 3.依据《建设工程工程量清单计价规范》编制卧室楼面、地面,坡屋面工程的分部分项工程量清单,填入表3—59“分部分项工程量清单”(水泥砂浆楼地面的项目编码:略,瓦屋面的项目编码:略)。 4.依据《建设工程工程量清单计价规范》编制“单位工程费汇总表”。 假设别墅部分项目的分部分项工程量清单计价合计207822元,其中人工费41560元;措施项目清单计价合价48492元;其他项目清单计价合计12123元;规费以人工费为基数计取,费率为30%;增值税率为不含税的人材机费、管理费、利润、规费之和的3%,其综合税率按3.413%计算。将有关数据和相关内容填入表3—60“单位工程费汇总表”。 (计算结果均保留2位小数)
选项
答案
解析 问题1: 计算过程中墙厚可直接加减在计算尺寸上。 问题2: 问题3: 问题4:

相关内容:别墅,部分,设计,如图,3-19所示,墙体,屋面,构造,做法,钢筋,混凝,土屋,面板,表面,水泥浆,一道,水泥

猜你喜欢

发表评论
更多 网友评论0 条评论)
暂无评论

访问排行

Copyright © 2012-2014 恰考网 Inc. 保留所有权利。 Powered by tikuer.com

页面耗时0.0394秒, 内存占用1.04 MB, Cache:redis,访问数据库15次