背景资料: 某住宅项目的基础工程施工图如下图所示。某施工单位投标并中标了该工程。 、计算该工程的外墙中心线长度及内墙净长线长度。 ...

作者: tihaiku 人气: - 评论: 0
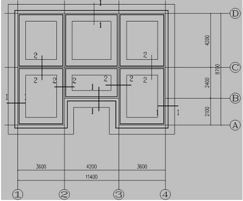
问题 背景资料: 某住宅项目的基础工程施工图如下图所示。某施工单位投标并中标了该工程。 <1>、计算该工程的外墙中心线长度及内墙净长线长度。 <2>、计算该工程平整场地的清单工程量。 <3>、已知挖基础土方拟采取放坡大开挖施工方案,放坡系数K=0.3,放坡至垫层底,每侧工作面宽度c=80cm。计算挖基础土方的方案工程量。 <4>、计算基础垫层混凝土清单工程量。 <5>、计算混凝土基础清单工程量。 <6>、已知该施工企业混凝土基础的定额消耗量、市场资源价格表见表6-1、表6-2,该企业的管理费率为15%(以人、材、机和为基数),利润和风险系数为5%(以人、材、机、管理费和为基数),求该基础混凝土的综合单价。 表6-1 企业定额消耗量 <7>、假定该基础分部分项工程费用合计为38611.92元。以分部分项工程费合计为基数,计取临时设施费(费率1.5%)、环境保护费(费率0.8%)、安全和文明施工费(费率1.8%);不计其它项目费;以分部分项工程费合计与措施项目费合计之和为基数计取规费(费率2%)。税金费率为11%。
选项
答案
解析 【1】 外墙中心线长、内墙净长线长 L中=(11.4+0.06×2+8.7+0.06×2)×2+2.1×2=44.88(m) L净=(6.6-0.12×2)×2+(3.6-0.12×2)×2+(4.2-0.12×2)=23.4(m) 【2】 平整场地(11.4+0.48)×(8.7+0.48)-2.1×(4.2-0.48)=101.25(m2) 【3】 挖基础土方方案工程量(11.4+0.82×2+0.8×2+0.3×1.3)×(8.7+0.82×2+0.8×2+0.3×1.3)×1.3+1/3× 0.32×1.33=240.98(m3) 【4】 砼垫层工程量 L外墙基础垫层中心线长=44.88(m) L内墙基础垫层净长=(11.4-0.7×2)+(4.2-0.7×2)×2+(2.4-0.7×2)×2=17.6(m) V=1.52×0.1×44.88+1.4×0.1×17.6=9.28(m3) 【5】 砼基础工程量 L中=44.88(m) L净=(6.6-0.6×2)×2+(3.6-0.6×2)×2+(4.2-0.6×2)=18.6(m) V外=1.32×0.3×44.88=17.77(m3) V内=1.2×0.3×18.6=6.70(m3) V=V外+ V内=24.47(m3) 【6】 基础混凝土的综合单价 人工费=1.212×95=115.14(元) 材料费=1.015×420+0.225×2.2+0.626×6.5=430.86(元) 施工机具使用费=0.901×120+0.069×15=109.16(元) 管理费=(115.14+430.86+109.16)×15%=98.27(元) 利润及风险=(115.14+430.86+109.16+98.27)×5%=37.67(元) 综合单价=115.14+430.86+109.16+98.27+37.67=791.10(元) 【7】 (1)编制挖基础土方的总价措施项目清单计价表6-5。 表6-5 部分总价措施项目清单与计价表 (2)编制基础工程造价汇总表6-6。 表6-6 基础工程造价汇总表

相关内容:背景,资料,住宅,目的,基础工程,施工图,下图,工程,外墙,中心线,长度,内墙,长线

猜你喜欢

发表评论
更多 网友评论0 条评论)
暂无评论

访问排行

Copyright © 2012-2014 恰考网 Inc. 保留所有权利。 Powered by tikuer.com

页面耗时0.0402秒, 内存占用1.05 MB, Cache:redis,访问数据库20次