某市政工程发包方与承包方签订了施工合同。经总监理工程师批准的施工总进度计划如图26所示(时间单位:周),各工作可以缩短的时间及其增加的赶工费如表2—13所...

作者: tihaiku 人气: - 评论: 0
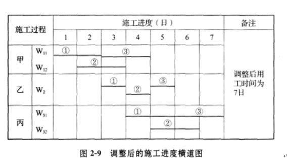
问题 某市政工程发包方与承包方签订了施工合同。经总监理工程师批准的施工总进度计划如图26所示(时间单位:周),各工作可以缩短的时间及其增加的赶工费如表2—13所示,其中H、1分别为道路的路基、路面工程。 问题: 1.施工过程D、G、N三项工作需依次使用施工单位仅有的一台施工机械,在施工总进度计划图中用图示表述这一要求。在调整后的施工进度网络计划图中,标示节点最早时间(口),节点最迟时间(△);标示各工序MS、EF、LS、LF、TF、FF。确定关键线路,确定计划工期。 2.说明在D、G、N共用一台施工机械的正常在场时间、闲置时间,说明机械在场时间最短的合理方案。 3.开工一周后,建设单位要求将总工期缩短2周,监理单位与施工单位共同研究在支付赶工费用最少且能满足建设单位要求的施工进度调整方案,请你提出自己认为合理的方案,并说明理由。 4.建设单位依据调整后的方案与施工单位协商,并按此方案签订了补充协议,施工单位修改了施工总进度计划。在H、L工作施工前,建设单位通过设计单位将此400m的道路延长至600m。请问该道路延长后,H、1工作的持续时间为多少周(设工程量按单位时间均值增加)对修改后的施工总进度计划的工期是否有影响为什么 5.在H、L工作工程量调整后,建设单位提供的施工条件发生了变化,导致J、K、N三项工作分别拖延1周,为确保工程按期完成,如果要求施工单位赶工需支付赶工费用,也可以采取延期完工方式。如果该项目投入使用后,每周净收益为5.6万元,从建设单位的角度应采用什么方案 6.发包方在施工过程中提出增加一项附加施工要求(w),承包方按正常施工时间提出了包括三个施工过程的进度横道图,见图2—7。 发包方要求附加施工必须在8日内完成,承包方该如何调整施工进度
选项
答案
解析 由题设条件知D、G、N三项工作共用一台施工机械,调整网络图的方法是:由先用设备工序的结束点向后用设备工序开始点加入虚工序表示线,但加入后必须保持网络图中的序号规则,不能破坏各工序之间原有的紧前紧后逻辑关系。 问题2:根据问题1计算结果可知,D工作ES=4,N工作EF=29。 多工序共用设备在场时间=最后使用设备工序EF-最先使用设备工序ES=29-3=26(周) 工序作业时间等于D、G、N三个工序作业时间之和(3+7+10),为20周,设备闲置时间为 6周。 合理方案为:D工作为非关键工序,令其开始作业时间向后推迟(由于G工作为关键工序,其作业时间不能调整),至开工后第9周末进场。作业3周后,继续完成G工作。完成三项工作设备在场时问为20周。 问题3:根据本题题设条件可知:压缩总工期应选择费用变动率最小的关键工序,压缩工序工期。C、G、J、M工作均可压缩其工作时间,对各工序组合情况分析结果如下: 根据表2—13所示各项工作的每周赶工费,在关键工作中以G和M工作的赶工费最低,其可压缩时间各为1周,所以最佳的赶工方案为压缩G和M各1周时间,则赶工后的工期为T=3+9+(7-1)+12+(7-1)=36(周)可以满足要求。 问题4:延长道路后的工作H和1的工作持续时间分别为: tH=8×600/400=12(周),增加了4周, tL=2×600/400=3(周),增加了1周, 共增加5周。 由于H工作TF=5,L工作TF=12,H、L增加工程量和工作时间对总进度计划工期没有影响。 问题5: J工作为关键工作,K工作TF=13,N工作TF=9。J工作延误影响总工期,而M工作也为关键 工作,且增加赶工费用少。该三项工作时间的增加,只有J工作对原工期影响1周,其他工作无影 响。若将M赶工1周,则增加费用为0.8万元/周,而提前1周可获得收益5.6万元/周。 因此赶工1周合理,可获得收益5.6-0.8=4.8(万元/周)。 问题6: 承包方决定对附加施工进行调整,组织加快的成倍节拍流水施工将用工时间调整为7日。调整后的施工进度横道图见图2—9。

相关内容:市政工程,发包方,承包方,施工,合同,监理,工程师,进度,计划,如图,26所示,时间,单位,工作

猜你喜欢

发表评论
更多 网友评论0 条评论)
暂无评论

访问排行

Copyright © 2012-2014 恰考网 Inc. 保留所有权利。 Powered by tikuer.com

页面耗时0.0443秒, 内存占用1.05 MB, Cache:redis,访问数据库20次