Ⅱ. 管道和设备工程 某工程背景资料如下: 1.图6.Ⅱ为某配水阀室工艺管道系统安装图。 2.管道工程的相关定额见下表 企业管理费和利...

作者: tihaiku 人气: - 评论: 0
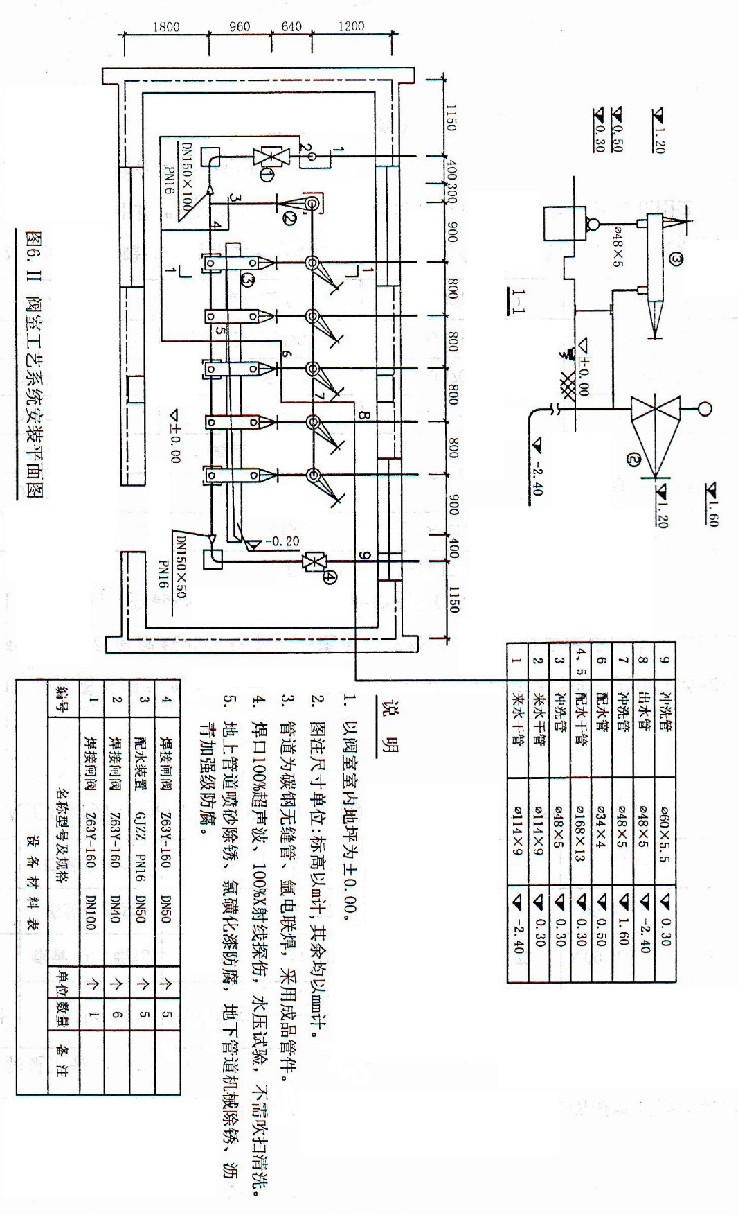
问题 Ⅱ. 管道和设备工程 某工程背景资料如下: 1.图6.Ⅱ为某配水阀室工艺管道系统安装图。 2.管道工程的相关定额见下表 企业管理费和利润分别是人工费的85%和35%。 3.按照《建设工程工程量清单计价规范》(GB50500—2013)的相关规定及统一编码,完成下列问题。 工程量清单统一项目编码 问题: 1.按照图6.Ⅱ,列式计算Ф168×13、Ф114×9、Ф60×5.5、Ф48×5、Ф34×4管道(区分地上、地下敷设方式)、Ф168×13、Ф114×9管件和管道防腐的清单工程量(计量范围以图示墙轴线为界)。(保留两位小数) 2.按照图6.Ⅱ中所列的阀门数量,及图6.Ⅱ中规定的管道安装技术要求,在答题纸上表6.Ⅱ.1“分部分项工程量清单与计价表”中,编制配水阀室的分部分项工程量清单项目。 3.按照背景条件2,在答题纸上表6.Ⅱ.2“工程量清单综合单价分析表”中,编制Ф168×13管道(单重49.67kg/m)工程量清单综合单价。 (数量栏保留三位小数,其余保留两位小数)
选项
答案
解析 问题1. (1)碳钢无缝钢管的工程量计算式: Ф168×13:地上敷设:0.3+0.9+0.8×4+0.9=5.3(m) Ф114×9:5.9m 地下敷设:2.4+1.2=3.6(m) 地上敷设:0.3+0.64+0.96+0.4=2.3(m) Ф60×5.5:3.2m Ф48×5:33m 地下敷设:18m 地上敷设:15m Ф34×4:8.5m (2)碳钢成品管件的工程量计算式: DN100(或Ф114):弯头 1+1+1=3个 DN150(或Ф168): DN150×100(或Ф168×114)大小头1个 DN150×50(或Ф168×60)大小头1个 DN150×40(或Ф168×48)三通1+5=6个 小计:1+1+6=8个 (3)环氧煤沥青防腐蚀的工程量计算式: 3.14×(0.114×3.6+0.048×18)=4.002㎡ (4)管道防腐蚀的工程量计算式: 3.14×(0.168×5.3+0.114×2.3+0.06×3.2+0.048×15+0.034×8.5)=2.354㎡ 问题2. 表6.Ⅱ.1 分部分项工程量清单与计价表 工程名称:配水阀室 标段:工艺管道系统安装 第1页 1 页 问题3. 表6.Ⅱ.2 综合单价分析表 工程名称:配水阀室 标段:工艺管道系统安装

相关内容:管道,设备,工程,背景,资料,如下,某配,水阀室,工艺,系统,相关,定额,企业,管理费

猜你喜欢

发表评论
更多 网友评论0 条评论)
暂无评论

访问排行

Copyright © 2012-2014 恰考网 Inc. 保留所有权利。 Powered by tikuer.com

页面耗时0.0395秒, 内存占用1.04 MB, Cache:redis,访问数据库15次