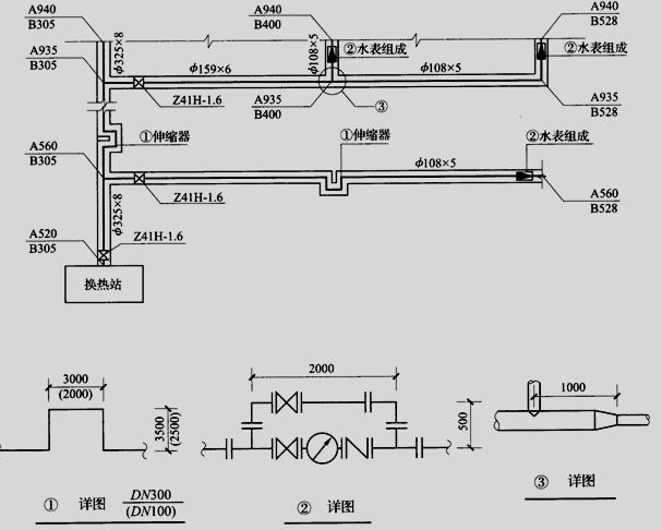
某住宅区室外热水管布置如图1-6-2所示。 图1-6-2 某住宅小区室外热水管网平面图 说明: (1)本图所示为某住宅小区室外热水管网平...

作者: tihaiku 人气: - 评论: 0
问题 某住宅区室外热水管布置如图1-6-2所示。 图1-6-2 某住宅小区室外热水管网平面图 说明: (1)本图所示为某住宅小区室外热水管网平面布置图,该管道系统工作压力为1.0Mpa,热水温度为95℃,图中平面尺寸均以相对坐标标注,单位以m计;详图尺寸以mm计。 (2)管道敷设于管沟(高600mm×宽800mm)内,管道均采用20#碳钢无缝钢管,弯头采用成品冲压弯头,异径管,三通现场挖眼连接,管道系统全部采用手工电弧焊接。 (3)闸阀型号为Z41H-1.6,止回阀型号为H41H-1.6,水表采用水平螺翼式法兰连接,管网所用法兰均采用碳钢平焊法兰连接。 (4)管道支架为型钢横担,管座采用碳钢板现场制作,φ325×8管道每7m设一处,每处重量为16kg;φ159×6管道每段6米设一处,每处重量为15kg;φ108×5管道每5m设一处,每处重量为12kg,其中施工损耗率为6%。 (5)管道安装完毕用水进行水压试验和消毒冲洗,之后管道外壁进行除锈,刷红丹防锈漆两遍,外包岩棉管壳(厚度为60mm)作绝热层,外缠铝箔作为保护层。 (6)管道支架进行除锈后,均刷红丹除锈调和漆两遍。 管网部分分部分项工程量清单项目的统一编码见表1-6-4。 表1-6-4 项目编码表 有一输气管线工程需用φ1020×6的碳钢板卷管直管,按管道安装设计施工图所示直管段净长度(不含阀门、管件等)共5000m。采用埋弧自动焊接。所用钢材均由业主提供标准成卷钢材。某承包商承担了该项板卷管直管的制作工程,板卷管直管制作的工料机单价和相关要求说明如表1-6-5所示。 表1-6-5 数据表 注: (1)φ1020×6的碳钢板卷管直管重量按150kg/m计。 (2)按照以下规定:碳钢板卷管安装的损耗率为4%,每制作1t的板卷管直管工程量耗用钢板材料1.05t;钢卷板开卷与平直的施工损耗率为3%。 (3)管理费、利润分别按人工费的60%,40%计。 <1> 、将各项管道和管道支架制作安装清单项目工程量的计算过程,分别写在表格中相应位置,根据《工程量清单计价规范》GB 50500-2013、《通用安装工程量计算规范》GB 50856-2013的有关规定,编制如图1-6-2所示管网系统的分部分项工程量清单项目,将结果填入表1-6-10“分部分项工程量清单表”相应栏内。 <2> 、在答题纸空白位置写出要求的有关项目的计算过程:(1)φ1020×6碳钢板直管制作工作量;(2)制作碳钢板直管前,需针对卷碳钢板进行开卷与平直的工程量;(3)发包人所供应标准成卷钢材的数量及其费用;(4)承包人应该向发包方计取的该项钢板卷管制作分部分项工程量清单费用数额。依据《建设工程工程量清单计价规范》、《全国统一安装工程预算定额》的有关规定,编制出φ1020×6碳钢板直管制作的投标分部分项工程量清单综合单价,将相关数据填入表1-6-11“分部分项工程量清单”。
选项
答案
解析 【1】 写出下列分部分项清单项目工程的计算式: (1)管道DN300工程量的计算式: (940-520)+2×3.5=420+7=427(m) (2)管道DN150工程量的计算式: (400-305)+1=96(m) (3)管道DN100工程量的计算式: (528-305+2×2.5)+(528-400-1)+(940-935)×2=228+127+10=365(m) (4)管道支架制作安装工程量的计算式: (427÷7×16)+(96÷6×15)+(365÷5×12)=976+240+876=2092(kg) 表1-6-10 分部分项工程量清单计价表 【2】 各有关项目的计算过程: 1.φ1020×6碳钢板直管制作工程量: 5000×0.15×1.04=780(t) 2.制作碳钢板直管前,需对成卷钢板进行开卷与平直的工程量: 780×1.05=819(t) 3.业主应供应标准成卷板材的数量及其费用: 标准成卷板材的数量:819×(1+3%)=843.57(t) 标准成卷板材的费用:843.57×4800=4049136(元) 4.承包商应向业主计取的该项碳钢板直管制作分部分项工程量清单费用数额: 5320536-4049136=1271400(元) 表1-6-11 分部分项工程量清单综合单价计算表 项目编号:0306613001001 计量单位:t 工程数量:780 项目名称:碳钢板直管制作φ1020×6(略) 综合单价:6821.2元

相关内容:住宅区,室外,水管,如图,1-6-2所示,住宅小区,热水,管网,平面图,本图

猜你喜欢

发表评论
更多 网友评论0 条评论)
暂无评论
错误啦!

错误信息

  • 消息: [程序异常] : MISCONF Redis is configured to save RDB snapshots, but it's currently unable to persist to disk. Commands that may modify the data set are disabled, because this instance is configured to report errors during writes if RDB snapshotting fails (stop-writes-on-bgsave-error option). Please check the Redis logs for details about the RDB error.
  • 文件: /twcms/kongphp/cache/cache_redis.class.php
  • 位置: 第 85 行
    <?php echo 'KongPHP, Road to Jane.'; ?>