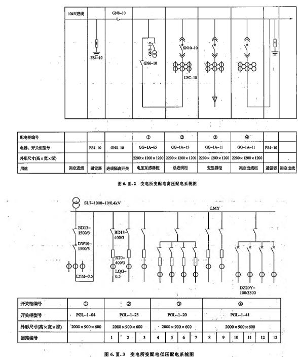
工程背景资料如下: 1.图6.Ⅲ.1~图6.Ⅲ.3所示为某变电所变配电工程的平面图和高、低配电系统图,图中③号高压成套配电柜到电力变压器的电缆管线的清单...

作者: tihaiku 人气: - 评论: 0
问题 工程背景资料如下: 1.图6.Ⅲ.1~图6.Ⅲ.3所示为某变电所变配电工程的平面图和高、低配电系统图,图中③号高压成套配电柜到电力变压器的电缆管线的清单工程量设定为:φ100钢管暗敷为9m;电力电缆穿管敷设YJV-10KV-3×70mm2为10m,其另应增加的附加长度为3.5m。电力变压器型号为S9-M-1000kVA。 2.电缆工程的相关定额见下表: 3.该工程变配电装置中的全部母线,均由生产厂家制作安装。人工费单价为80元/工日,管理费和利润分别为人工费的60%和40%计算。 4.相关分部分项工程量清单项目统一编码见下表: <1> 、按照背景资料1、3、4和图6. Ⅲ.1~图6. Ⅲ.3所示内容,编制表6. Ⅲ.1该工程变配电装置安装和电缆管线的“分部分项工程量清单与计价表”。 工程名称:变电所变配电工程 标段:变配电装置安装和电缆管线 <2> 、根据背景资料2中的相关定额,计算“电力电缆”和“电力电缆头”项目的综合单价,编制表6.Ⅲ.2、6.Ⅲ.3“工程量清单综合单价分析表” 表6.Ⅲ.2  工程量清单综合单价分析表 6.Ⅲ.3  工程量清单综合单价分析表
选项
答案
解析 表6.Ⅲ.1 分部分项工程量清单与计价表 工程名称:变电所变配电工程 标段:变配电装置安装和电缆管线 表6.Ⅲ.2  工程量清单综合单价分析表 6.Ⅲ.3  工程量清单综合单价分析表

相关内容:工程,背景,资料,如下,变电,电工程,平面图,系统,图中,高压,配电柜,电力,变压器,电缆,管线,清单

猜你喜欢

发表评论
更多 网友评论0 条评论)
暂无评论

访问排行

Copyright © 2012-2014 恰考网 Inc. 保留所有权利。 Powered by tikuer.com

页面耗时0.0396秒, 内存占用1.04 MB, Cache:redis,访问数据库14次