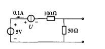
图示电路中,电流源的端电压U等于: A. 20V B. 10V C. 5V D. 0V

作者: tihaiku 人气: - 评论: 0
问题 图示电路中,电流源的端电压U等于:
选项 A. 20V B. 10V C. 5V D. 0V
答案 A
解析 解 电流源的端电压由外电路决定。

相关内容:电路,电流,端电压

猜你喜欢

发表评论
更多 网友评论0 条评论)
暂无评论

Copyright © 2012-2014 恰考网 Inc. 保留所有权利。 Powered by tikuer.com

页面耗时0.0613秒, 内存占用1.03 MB, Cache:redis,访问数据库14次