背景资料 南方某港地处潮汐河口的淤泥质地区,拟在已建码头的侧面扩建三个5万吨级的集装箱泊位,码头为重力式圆筒结构,港区道路及堆场建在吹填砂上。经设计方...

作者: tihaiku 人气: - 评论: 0
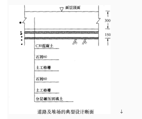
问题 背景资料 南方某港地处潮汐河口的淤泥质地区,拟在已建码头的侧面扩建三个5万吨级的集装箱泊位,码头为重力式圆筒结构,港区道路及堆场建在吹填砂上。经设计方案比选,对道路及堆场区域的软基采取打排水板真空预压法进行处理。 经过招投标,A施工单位承担了港区500万m3的吹填及10万m2的道路及堆场的施工任务。道路及堆场的典型设计断面如下图所示。 问题 1.列出真空预压法加固软土地基的工艺流程。 2.在对某真空预压的分区巡视检查中,发现该分区的真空度为50kPa,对此,施工单位应该怎样处理?按程序应该办理哪些手续? 3.若A施工单位为港口与航道工程施工总承包二级资质企业,能否承担该项目?说明理由。 4.该道路及堆场工程中应用了何种土工合成材料?其相应的功能是什么? 5.计算面层混凝土的施工配制强度(σ=3.5MPa),并解释计算公式中各项参数的含义。
选项
答案
解析 {图} 2.该分区的真空度只有50kPa,立即进行以下检查: (1)密封膜是否有破裂,发现破裂立即进行修补; (2)密封沟埋膜是否有局部漏气处,发现后用黏土修补压实密封; (3)是否有个别真空泵失效后管路连接不实、断开等,发现后检修或替换。 对上述现象和检查及处理措施应及时报知监理,并与监理一同在现场检查和处理,直至恢复正常。 3.A施工单位可承担该项目施工。 二级施工总承包单位可承担相应的工程规模是:600万m2以下的吹填工程和16万m2以下的港区堆场工程。本项目的吹填量和堆场工程量均在可承担的范围内。 4.应用了土工格栅,其功能是: (1)用于路基补强,使粒状填料与网格互相锁合在一起,增大摩阻力,防止填料下陷,限制土体的侧向位移,形成稳定的地面; (2)起到加筋作用,增加土的模量,传递应力,可将垂直载荷分散。 5.混凝土的施工配制强度=设计要求的混凝土立方体抗压强度标准值+1.645×工地 施工实际统计的混凝土立方体抗压强度标准差; 混凝土的施工配制强度=30+1.645×3.5=35.8取36MPa。

相关内容:背景,资料,某港,潮汐,河口,淤泥,地区,码头,三个,万吨级,集装箱,泊位,重力,圆筒,结构,港区,道路,堆场,吹填,设计方

猜你喜欢

发表评论
更多 网友评论0 条评论)
暂无评论

访问排行

Copyright © 2012-2014 恰考网 Inc. 保留所有权利。 Powered by tikuer.com

页面耗时0.0435秒, 内存占用1.05 MB, Cache:redis,访问数据库17次