某大型海上工程孤立墩混凝土承台施工,其混凝土的配合比为1:1.5:2.50,水灰比为0.40,水泥用量为444kg/m3。承台的平面尺寸为10m×10m,...

作者: tihaiku 人气: - 评论: 0
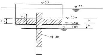
问题 某大型海上工程孤立墩混凝土承台施工,其混凝土的配合比为1:1.5:2.50,水灰比为0.40,水泥用量为444kg/m3。承台的平面尺寸为10m×10m,承台底标高为-0.5m,顶标高为+3.5m。9根直径1.2m的钢管桩伸入承台混凝土中2m(桩芯混凝土已提前灌注完成)。施工水域潮汐为规则半日潮,施工期低潮位-1.0m、高潮位+2.5m。 承台施工用非水密模板,承台混凝土分3层浇筑,底层混凝土浇筑厚度为1.0m,规范对赶潮浇筑混凝土的施工要求是在混凝土初凝前其顶面不能被水淹(混凝土的初凝时间为1.5h)。 问题: (1)承台混凝土的浇筑量是多少?承台底层混凝土的浇筑量是多少? (2)何时开始浇筑承台底层混凝土对赶潮施工最有利? (3)用有效生产能力为50m3/h的混凝土拌合船浇筑承台底层混凝土可否满足规范对赶潮浇筑混凝土的施工要求? (4)为浇筑承台底层混凝土拌合船至少要备料水泥、砂、石子、水多少(材料的损耗率按5%计)? (5)为使承台使用年限达到50年不大修,保证其耐久性的首选措施是什么?
选项
答案
解析 (1)承台混凝土的浇筑量:10× 10×4-9×3.14×0.62×2=379.6m3。 承台底层混凝土浇筑量:10× 10× 1-9×3.14×0.62×1=89.8m3。 (2)在落潮的过程中,当潮位落至-0.5m(承台底模板刚露出水面)时开始浇筑混凝土对赶潮水施工最为有利。 (3) 【第一种思路】 潮水从+2.5m降至-1.0m(总计3.5m)的时间是6h12.5min(6.21h)。 潮水每涨(落)1m所需时间为:6.21/3.5=1.77h。 潮水从-0.5m落至-1.0m再涨至+0.5m(底层混凝土顶面)所需时间:1.77×(0.5+0.5+1.0)=3.54h。 用有效生产能力50m3/h的混凝土拌合船浇筑底层混凝土所需时间:89.8/50=1.8h。底层混凝土浇筑时间与混凝土初凝时间的和为:1.8+1.5=3.3h。 3.54h>3.3h,所以用有效生产能力50m3/h的混凝土拌合船浇筑底层混凝土是可以满足规范对赶潮浇筑混凝土施工要求的。 【第二种思路】 底层混凝土浇筑完成并初凝结束的时间是:3.3h。 3.3h的时间内潮水从-0.5m降至-1.0m再涨至的标高是: (3.3/1.77)-(0.5+0.5+0.5)=1.86-1.5=+0.36m 还没有淹没底层混凝土的顶面(+0.5m)。 所以是可以满足规范对赶潮浇筑混凝土施工要求的。 (4)备料 1)水泥:444×89.8×(1+5%)=41.9t。 2)砂:444×1.50×89.8×(1+5%)=62.9t。 3)石子:444×2.50×89.8×(1+5%)=104.8t。 4)水:444×0.4×89.8×(1+5%)=16.76t。 (5)首选的保证措施是:选用高性能混凝土。

相关内容:海上,工程,混凝土,施工,水灰,水泥,用量,平面,尺寸

猜你喜欢

发表评论
更多 网友评论0 条评论)
暂无评论

访问排行

Copyright © 2012-2014 恰考网 Inc. 保留所有权利。 Powered by tikuer.com

页面耗时0.0314秒, 内存占用1.05 MB, Cache:redis,访问数据库19次