背景 某施工单位承接了一段长30.8km的双向两车道新建二级公路D合同段路基、路面施工,路基宽8.5m,路面宽7.0m,路面结构设计图如下。 路面...

作者: tihaiku 人气: - 评论: 0
问题

背景

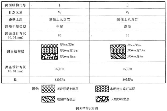
某施工单位承接了一段长30.8km的双向两车道新建二级公路D合同段路基、路面施工,路基宽8.5m,路面宽7.0m,路面结构设计图如下。

路面结构设计图该工程采用清单计价,施工合同中的清单单价如下表。

施工单位采用湿法施工填隙碎石垫层,在准备好下承层后,按下列工艺流程组织施工:施工放样→摊铺粗碎石→初压→撒布填隙料→复压→再次撒布填隙料→再次碾压→局部补撒填隙料→振动压实填满孔隙→步骤A→碾压滚浆→步骤B。施工过程中发生了以下两个事件。事件一:K5+500~K6+300路段,设计图为“中湿”类型路基,原设计采用Ⅰ型路面结构,施工单位现场复核后,确定该路段属于“潮湿”类型路基,监理确认并书面同意按Ⅱ型路面结构进行施工。事件二:K15+000~K16+000路段,底基层完工后,施工单位组织自检,在实测纵断高程时发现该路段比设计标高整体低了2.5cm,原因是施工单位测量人员在设置测量转点时发生错误。其余实测项目均合格。施工单位总工程师提出了将该路段水泥稳定碎石基层的厚度由20cm加厚至22.5cm的缺陷修复方案,并按该方案组织施工,基层施工完成后通过了检测。该方案导致施工单位增加了64219元成本。施工单位针对事件一和事件二分别提出增加费用变更申请,监理单位审批了事件一的变更费用申请,但对事件二的变更费不予确认。

问题:

1.写出步骤A和步骤B所对应的工艺流程名称。

2.写出底基层施工工艺流程中“碾压滚浆”结束的判断依据。

3.写出图中E。的中文名称。

4.计算事件一的变更增加费用。

5.监理单位对事件一和事件二申请的审批结果是否合理?分别说明理由。

6.判别本项目K5+500~K6+300路段的路基干湿类型应采用什么指标?

选项

1.步骤A是洒水饱和,步骤B是干燥(或晾干、晒干)。

2.碾压滚浆应一直进行到填隙料和水形成粉砂浆为止,粉砂浆应填塞全部空隙,并在压路机轮前形成微波纹状。

3.路基弹性模量(或路基回弹模量)。

4.8*800*(52.5-26.1)=168960(元)。

5.监理同意事件一费用申请,合理:因为事件一的变更是设计与现场实际不符造成的(或非施工单位责任)。监理不同意事件二费用申请,合理:因为事件二是施工单位自身原因造成的(或施工单位责任)。

6.路基临界高度。

答案
解析

1.此题考查填隙碎石施工工艺流程,填隙碎石施工分干法施工和湿法施工。

填隙碎石施工工艺流程图本题题干已经说明了采用湿法施工,湿法施工的关键就是要将填料洒水并处于饱和状态下进行碾压,并在最后要有干燥这个程序。

2.湿法施工的主要相关技术要点如下:(1)开始工序与干法施工要求相同。(2)粗石层表面孔隙全部填满后,立即用洒水车洒水,直到饱和,但应注意避免多余水浸泡下承层。(3)用12~15t三轮压路机跟在洒水车后进行碾压。在碾压过程中,将湿填隙料继续扫入所出现的孔隙中。需要时,再添加新的填隙料。洒水和碾压应一直进行到填隙料和水形成粉砂浆为止。粉砂浆应填塞全部孔隙,并在压路机轮前形成微波纹状。(4)干燥。碾压完成的路段应让水分蒸发一段时间。结构层变干后,表面多余的细料以及细料覆盖层都应扫除干净。(5)当需分层铺筑时,应待结构层变干后,将已压成的填隙碎石层表面的填隙料扫除一些,使表面粗碎石外露5~10mm,然后在上摊铺第二层粗碎石。

3.在所有的路面设计文件和相关专业书籍中,几乎都是用E。来表示路基弹性模量。另外,考生可以通过背景中路面结构设计图E0来推断出该参数的中文含义。

4.事件一路基干湿类型由“中湿”变更成为“潮湿”,路面结构由原设计采用Ⅰ型路面结构,变更成为Ⅱ型路面结构。我们注意到,Ⅰ型和Ⅱ型结构的面层和基层是相同的,仅仅是垫层不同:由天然砂砾垫层,变更成了填隙碎石垫层。查背景中《合同清单单价表》可知,天然砂砾垫层单价是26.1元/m2填隙碎石垫层单价为52.5元/m2,变更路段长度可以从桩号计算得到(6300-5500=800(m)),宽度是8m。

5.公路工程变更一般是指在公路工程施工过程中,根据合同约定对施工的程序、工程的内容、数量、质量要求及标准等做出的变更。工程变更属于合同变更。施工合同索赔是指在施工合同履行过程中,合同一方因对方不履行或不适当履行合同义务而遭受损失时向对方提出的价款与工期补偿的要求。它既包括承包商向业主提出的索赔,也包括业主向承包商提出的反索赔。承包商的索赔一般是关于工期、质量和价款的争议,业主向承包商的索赔一般是因承包商承建项目未达到规定质量的标准,工程拖期等原因引起。由于公路工程施工现场条件、社会和自然环境、地质水文等的变化,招标文件和合同条款难免出现与实际不符的错误等因素,因此,索赔在工程施工中是难免的,引起索赔的原因也是多方面的。在分析引起索赔的众多因素中,比较普通的因素是开工受阻、赶工、气候影响、工程量的增减、合同条款中与索赔密切相关的工程变更、增加工程及工程进度变化引起的工期与费用的索赔。

6.路基的干湿类型表示路基在最不利季节的干湿状态,划分为干燥、中湿、潮湿和过湿四类。原有公路路基的干湿类型,可以根据路基的分界相对含水量或分界稠度划分;新建公路路基的干湿类型可用路基临界高度来判别。

相关内容:背景,段长,30.8km,车道,公路,合同,段路基,路基,路面,施工,结构,设计图,如下

猜你喜欢

发表评论
更多 网友评论0 条评论)
暂无评论

访问排行

Copyright © 2012-2014 恰考网 Inc. 保留所有权利。 Powered by tikuer.com

页面耗时0.0400秒, 内存占用1.06 MB, Cache:redis,访问数据库19次