V A. 1 B.3 C. 10 D. 12

作者: tihaiku 人气: - 评论: 0
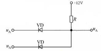
问题 V
选项 A. 1 B.3 C. 10 D. 12
答案 A
解析 与UA相连的二极管承受的正向电压比与相连的二极管大,因此与UB相连的二极管先导通,则UA被限制在IV,则与UB相连的二极管截止。

相关内容:

猜你喜欢

发表评论
更多 网友评论0 条评论)
暂无评论

Copyright © 2012-2014 恰考网 Inc. 保留所有权利。 Powered by tikuer.com

页面耗时0.0795秒, 内存占用1.03 MB, Cache:redis,访问数据库14次